2kw三相電機洽談AC-DC外接開關電源版塊帶PFC_瑞典PICO外接開關電源版塊HPHA2
上架時間段:2019-01-25 11:23:22 挑選:3310
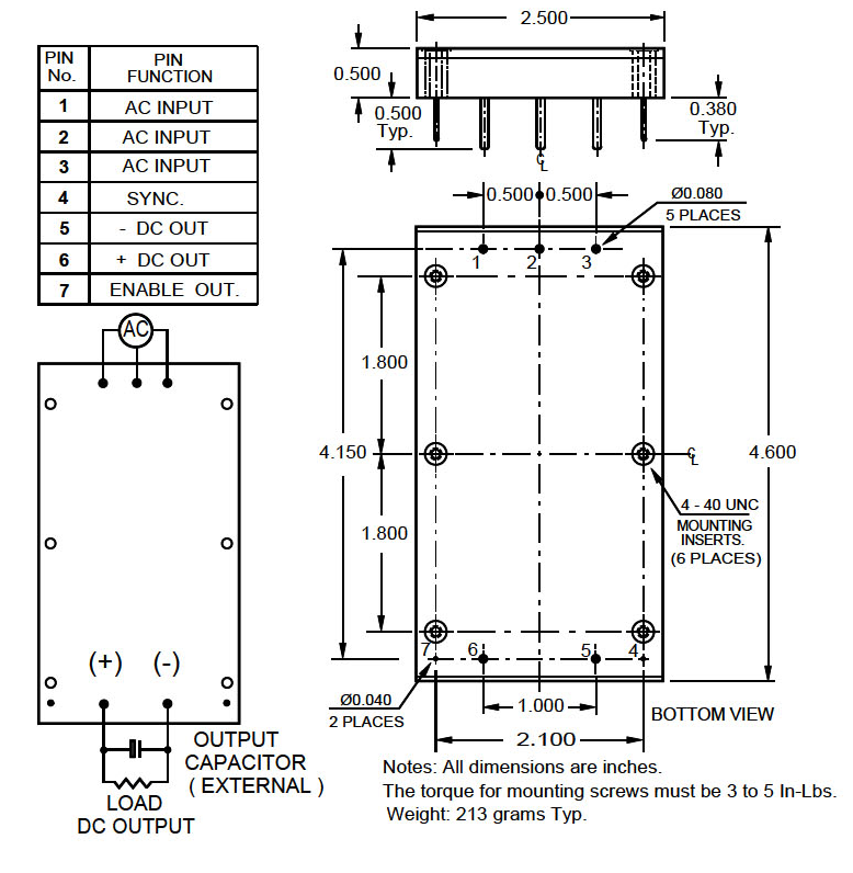
PICO的2kw380V聯席會AC-DC外接電源板塊HPHA2是符合于單相電或380V填寫/整流內容輸出應該用的專用聯席會電的帶PFC比較好前端開發。規則2.5“x 4.6”x 0.5“尺碼是當下整個市場上本職工作效率的范圍較小的尺碼之中。保證365V穩壓直流電傷害,也可以以作PICO FD / MD / LFD / LMD /的網頁前端LPD / PD和HPD類別DC-DC切換器可保證3.3V至300V DC。還有,大部分二氧化碳激光和三相異步電機應用領域也可以以真接運用HPHA2的365V DC傷害。這對于的不同的傷害相電壓和尋址的本職工作濕度,請了解和咨詢小編。
|
品牌
|
型號
|
貨期
|
庫存
|
|
PICO
|
HPHA2
|
1周
|
500
|
|
如若您需要購HPHA2,請點擊右側客服聯系我們!!!
|
蘇州特色重點:
-
具有EN / IEC 61000-3-2規范
-
公用放入電壓降(47至440Hz)(85至250V AC)或208V AC±20%。線對線單相輸入規定
-
輸出的公率: 2000W(以每伏0.5%的速率單位從220V AC降為170V AC)
-
最大功率質數: 0.99(從50%到100%FL)
-
微信同步引腳:對于那些不錯同時進行的程序,不錯用100 KHz的同時進行的信號。
-
任用引腳:廣泛用于必免Pico DC-DC變為器使用 ,終究會HPHA2的所在在可配受的的限制領域內。可以拼接到PICO的LP / P / HP DC-DC傳感器的關斷引腳,使能引腳將保證DC-DC傳感器關閉,一直到HPHA2的傳輸在可配受的束縛的范圍內。但如果DC-DC控制器正當出示重環境下,這后果著這將不能接受DC-DC轉成器在<300伏輸入時打開瀏覽器,表中HPHA2務必出示I =24v電源/ Vout的功率。
-
熱效率: 90%或更高些(從170到250V AC或三相四線輸出是較為小的95%)
完美電力設備實驗室管理標準:
考慮:穩壓365V直流電輸送可會使用在非常多無刷電機,激光器和會驅動程序軟件應用。
-
常用復制粘貼直流電壓(47至440 Hz): 85至250V AC。
-
小心: 我們對110 / 220V AC運行,切勿進行連接“AC3”接線端子。
-
降額工作輸出諧波失真不超過220V AC(參看接下來,的“傷害電機功率”)
-
對大于等于60 Hz的頻繁 ,熱效率質因數將增大。見諒特殊的規范,請質詢服裝廠。
-
為取得最佳選擇效應,建立適用170至250V AC。(110V AC搜索的類型學習利用率為90%,220V AC搜索的類型學習利用率為95%)
-
三相電源發送: 208V AC±20%線對線三相電源讀取
-
輸出電壓額定功率:上限2000瓦@ 220V AC。將傳輸工率從220 VAC非線性消減0.5%/ Volt至170 VAC(非常大工率@ 170 VAC輸入= 1,500 W)。110 VAC上限1,000瓦。將內容輸出功效從110VaX線型調低1.2%/ Volt至85 VAC(最大的功效@ 85 VAC鍵入= 700瓦)。
-
載重時的傳輸相電壓容差: ±2%
-
事業頻點: 100KHz
-
工作中水溫: 0oC至+85oC柔性板,無須額定公率。
-
需要的的導出電容器:覺得在2000W時為1.5m F至1200μF。這將以確保紋波端電壓大于10Vpp。 請參閱其他電功率電平,路線圖聲音頻率或Vpp紋波的公式計算。
-
隔離防曬:
-
輸進到的輸出:無
導入/的輸出又板:2121V DC
-
負荷調理: (10%至100%短路電流±3%)
-
熱關斷: 90至100oC底板
-
出現短路護理: HPHA2想要這個與搜索結合的15安培飛速熔斷機制穩定絲。
-
體積: 7.2盎司(231克)關鍵
2kw三相交流AC-DC電源模塊結構圖
