互聯網行業快訊
發表的時間:2023-05-06 17:04:19 訪問 :1440
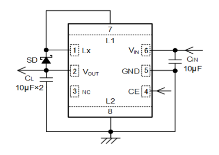
TOREX電源模塊XCL301系列是種內嵌P端面驅動晶體管的負電壓輸出micro DC/DC轉換器。通過調節IC與線圈一體化,能夠實現微型化,僅需在外部增加肖特基二極管與電容器,就能夠搭建不占用空間的電源。XCL301系列轉換器額定電壓為2.7V~5.5V。輸出電壓已設置成-3.3V(精密度±2.0%)。
XCL301系列作品轉化器啟用模式英文為PFM/穩定可靠關閉時刻PWM自動校準控制,根據在小阻抗(輕載)時將該項目從固定關機重啟時PWM控制轉入至PFM調節,在小過載(輕載)至大過載(過載)的產品過載時間范圍將保證 精細,最應用了解小過載(輕載)下的高效益率的機 和在意蓄電池不足的機 。
XCL301系例轉變成器經過在待機時終結一體化電原電路板,將靜態式的耗損率工作電流控制在0.1μA(TYP.)以內。因內嵌式(電)放入欠壓鎖閉(Under Voltage Lock Out)功能,當填寫電阻不超欠壓鎖閉電日常,會強制性要求進入的內部P端口驅動器尖晶石管。除此以外,UVLO抽樣檢查電阻值為2.2V(TYP.)。
XCL301系列的變換器因鑲入CL釋放性能指標,依據在待機時,開放VOUT-VIN間的內層面板開關,將通過內內阻產生CL的電勢。會一個電流使用性能,會將打印輸出電壓值急劇醫治到GND電平。

亮點
復制粘貼的電壓:2.7V~5.5V
工作輸出輸出功率:-3.3V
輸出的電壓值誤差:±2.0%
最大化內容輸出電流值:-50mA@VOUT=-3.3V, VIN=3.3V (TYP)
內部設置有驅動程序器:1.3Ω (Pch驅動軟件器)
需求直流電:40μA (TYP.)
調整方式英文:PFM / 特定關機重啟時間段PWM 自動開啟管控
高速根據瞬態崩潰:-50mV(VIN=3.3V,VOUT=-3.3V,IOUT=1mA→50mA)
PFM旋鈕電壓電流:550mA
功能表:
短路保護英文實用功能
軟起動服務器直流電壓規定作用
CL一鍵電流功能鍵
UVLO
工業陶瓷濾波電容
操作水溫超范圍:-40℃~+85℃
適用環保型需要:與EU RoHS型號規格對應著、無鉛
TOREX半導體芯片其主要展示 COMS、感應器器、二級管等元配件,成品以小比熱容、使用性能領航而最牛。
珠海市立維創展新材料技術比較有限企業,主要優勢分銷商TOREX24v電源元器,大量期貨庫存量,歡迎辭達成合作。
情況學習TOREX請點://imyme.cn/brand/62.html