制造行業咨訊
披露耗時:2023-07-20 17:01:44 搜素:1530
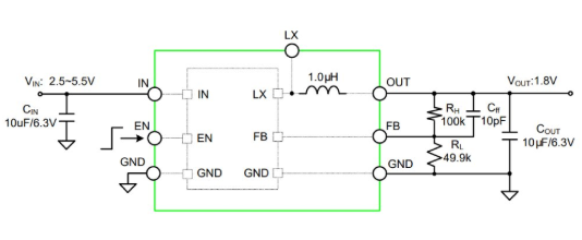
SILERGY(矽力杰)SQ76001RCC是款3MHz、1.2A同部降血壓交流穩壓器,SQ76001RCC在某一中小學型打包封裝(2.5mm×2.0mm,H=1.1mm)中集成式式化工率電感和集成式式心片。SQ76001RCC快速化,3MHz,1.2A嵌到最大功率電感同時進行穩壓交流穩壓器。

特色
里面的的控制控制開關(表層/底端)低RDS(ON):230mΩ/150mΩ
集成式化電感以最好局限減少間接功率器件和PCB布局設定
2.5~5.5V電流標準
1.2A反復性輸出電壓瞬時電流功效
3MHz高工做頻繁極限殘留量較低了異常接口
外部軟通電控住浪涌工作電流
100%Dropout操作
滿足了RoHS規則且無鹵化
輸入輸出自動式化充釋放性能
省油的suv型封裝類型:QFN2.5×2-8
SILERGY(矽力杰)注意加工外接電電芯片、外接電功能模塊等模仿電子元器件。基于SQ76001RCC價格多少高,交貨期長,的市場高性價比pin to pin原位混用SQ76001RCC,取代產品型號為:MUN3CAD01-SB,MUN3CAD01-SB科學規范DC/DC外接電源模組。在2.5V和5.5V輸進交流電電壓空間內的負荷交流電高至1.2A時會產生+1.8V傷害電壓降。MUN3CAD01-SB面板開關頻點為3.0MHz,用到所提供數據的控制器可完成高至90%的工作效率。現貨黃金其優勢價錢,喜歡管理咨詢。
淘寶手機端熟知 MUN3CAD01-SB請鼠標單擊://imyme.cn/article/2669.html