行業內內容
發布的的時間:2023-08-01 16:37:22 訪問 :6650
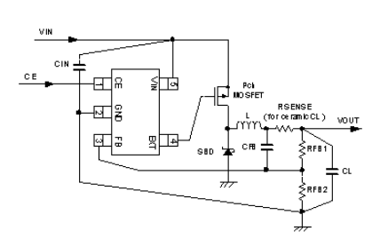
TOREX的XC9221類別是多性能減壓DC/DC的控制開關IC。給該電子集成電路芯片外邊搭載的觸點開關集成電路芯片,的工率電感,的兩級管和一個電容器就能擁有的便捷率,對應安全的,傳輸直流電高至3A的電開關電。能操作低ESR電阻(電阻器)器舉例子陶瓷制品電阻(電阻器)器代替其工作輸出電阻(電阻器)器。
XC9221系列表管理器有點0.9V(±1.5%)系數電容值,選用外置采樣系統電容就還可以隨處設制傳輸電容值。崗位聲音頻率為300kHz,500kHz和1MHz,
XC9221類別保持器能選擇中中大型型其他元器。面對軟初始化經常,XC9221A和C系例是內外部設施為4ms,XC9221B和D款型還可以在外觀選用。XC9221全系列保持器具有嵌入式的UVLO(欠壓鎖閉)工作性,當進入電流下降2.3V或更低的情況下,表面的P橫截旋轉開關元件將被強行性閉合。
優點
崗位線電壓領域:2.8V~16.0V
輸入輸出電壓電流外接快速設置:0.9V(最準度±1.5V)
作業頻段:300k,500k,1.0MHz
操作步驟:PWM/PFM手動重新啟動操控
帶軟初始化特征:內壁調節4ms(TypeA500kHz),內部控制在(TypeB)
斷路守護措施:信用卡積分守護措施1.0ms(A,B業務類型),不導通保護的
低ESR電阻:瓷器電阻
TOREX半導體器件大部分能提供COMS、感應器器、整流二極管等元電子器件,產品以小占地、耐腐蝕性有遠見而最有名的。
佛山市立維創展科枝有限的公司,優質分銷商TOREX電源適配器電子元件,大批量現貨黃金庫存量,追捧合作協議。
詳細信息知曉TOREX請彈窗://imyme.cn/brand/62.html

型號 | Type | Output Voltage | Oscillation Frequency | Packages |
XC9221A093ER-G | Soft-start internally set with integral protection function | FB type | 300kHz | USP-6C |
XC9221A093MR-G | Soft-start internally set with integral protection function | FB type | 300kHz | SOT-25 |
XC9221A095ER-G | Soft-start internally set with integral protection function | FB type | 500kHz | USP-6C |
XC9221A095MR-G | Soft-start internally set with integral protection function | FB type | 500kHz | SOT-25 |
XC9221A09AER-G | Soft-start internally set with integral protection function | FB type | 1.0MHz | USP-6C |
XC9221A09AMR-G | Soft-start internally set with integral protection function | FB type | 1.0MHz | SOT-25 |
XC9221B093ER-G | Soft-start externally set with integral protection function | FB type | 300kHz | USP-6C |
XC9221B093MR-G | Soft-start externally set with integral protection function | FB type | 300kHz | SOT-25 |
XC9221B095ER-G | Soft-start externally set with integral protection function | FB type | 500kHz | USP-6C |
XC9221B095MR-G | Soft-start externally set with integral protection function | FB type | 500kHz | SOT-25 |
XC9221B09AER-G | Soft-start externally set with integral protection function | FB type | 1.0MHz | USP-6C |
XC9221B09AMR-G | Soft-start externally set with integral protection function | FB type | 1.0MHz | SOT-25 |
XC9221C093ER-G | Soft-start internally set without integral protection function | FB type | 300kHz | USP-6C |
XC9221C093MR-G | Soft-start internally set without integral protection function | FB type | 300kHz | SOT-25 |
XC9221C095ER-G | Soft-start internally set without integral protection function | FB type | 500kHz | USP-6C |
XC9221C095MR-G | Soft-start internally set without integral protection function | FB type | 500kHz | SOT-25 |
XC9221C09AER-G | Soft-start internally set without integral protection function | FB type | 1.0MHz | USP-6C |
XC9221C09AMR-G | Soft-start internally set without integral protection function | FB type | 1.0MHz | SOT-25 |
XC9221D093ER-G | Soft-start externally set without integral protection function | FB type | 300kHz | USP-6C |
XC9221D093MR-G | Soft-start externally set without integral protection function | FB type | 300kHz | SOT-25 |
XC9221D095ER-G | Soft-start externally set without integral protection function | FB type | 500kHz | USP-6C |
XC9221D095MR-G | Soft-start externally set without integral protection function | FB type | 500kHz | SOT-25 |
XC9221D09AER-G | Soft-start externally set without integral protection function | FB type | 1.0MHz | USP-6C |
XC9221D09AMR-G | Soft-start externally set without integral protection function | FB type | 1.0MHz | SOT-25 |