產業快訊
發布公告時光:2023-08-16 16:48:58 搜素:985
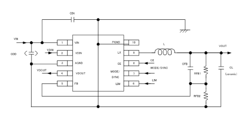
TOREX的XC9223款型是此次整流降血壓DC/DC準換器,XC9223降血壓DC/DC轉化成器配有有0.21Ω(TYP.)P端口推動三級管和搜集整流0.23Ω(TYP.)N一端旋轉開關元器件封裝。XC9223減壓DC/DC轉型器依照下降嵌入式晶體管的通斷性輸出阻抗,必須拿到效應高率,相不穩的,高至1.0A的瞬時電流。
XC9223降血壓DC/DC轉成器這是因為事情率高至1MHz和2MHz,要選擇中大中型型功效電感。由于,XC9223降血壓DC/DC改變器合適為有高強度約束或者是必須 節約成本預算的軟件。當開關電源交流電出現異常不一般舉例子USB和AC自適應器,處理芯片電流值限制值都可以會選擇1.5A(MIN.)當LIM管腳置高,還可能會選擇0.5A(MIN.)當LIM管腳置低。會按照MODE/SYNC管腳,XC9223穩壓DC/DC更換器夠選定 平穩PWM管理模型或許半自動選定限流PFM/PWM控制模型。想要防止按鈕嘈音,XC9223穩壓DC/DC換算器就能夠利用MODE/SYNC管腳微信同步對外部的鬧鐘數據,該鬧鐘數據的頻繁 依據是組織結構鬧鐘數據的±25%。
為著避免出現心片被自燃,XC9223降血壓DC/DC換算器人員配備有三類保證設施:積分保證,超溫關斷,過流保證。XC9223穩壓DC/DC改變器擁有內設UVLO耐腐蝕性,當放入額定電壓調至1.8V或較低的情況下下,里面的P內孔開關按鈕電子器件能被直接性關斷。
XC9223降血壓DC/DC改變器的監測器能力都可以可以通過外置式熱敏電阻監測隨時線電壓。
的特征
運作交流電壓範圍:2.5V~6.0V
工作輸出交流電壓領域:0.9V~VIN(可經由0.8V[±2%]參閱電阻和分電容式阻自在調整)
上班頻段:1MHz,2MHz(±15%)
打印輸出電流大小:1.0A
極限限制直流電壓:0.6A(MIN.)0.9A(MAX.)LIM接插件=“L”;1.2A(MIN.)2.0A(MAX.)LIM絕緣端子=“H”
調整步驟:PWM/PFM外接鎖定的控制,一起外邊鬧鐘網絡信號
保護區用電線路:超溫關斷,兌換積分閂鎖辦法(限定皮膚過電壓電流),短路故障保障
帶軟開始:1ms(TYP.)
電流數據監測器 :0.712V檢查
TOREX半導主要的展示 COMS、傳紅外感應器器、電感等元電子器件,食品以小量、機械性能好而著名。
山東市立維創展科學現有大公司,優點包銷TOREX開關電源電子器件,一大批現貨平臺存貨,歡迎大家進行合作。
淘寶手機端熟知TOREX請點擊進入://imyme.cn/brand/62.html

具體型號 | Type | Reference Voltage | Oscillation Frequency | Packages |
XC9223B081AR-G | Transistor built-in with current Limit | 0.8V | 1MHz | MSOP-10 |
XC9223B081DR-G | Transistor built-in with current Limit | 0.8V | 1MHz | USP-10B |
XC9223B082AR-G | Transistor built-in with current Limit | 0.8V | 2MHz | MSOP-10 |
XC9223B082DR-G | Transistor built-in with current Limit | 0.8V | 2MHz | USP-10B |