職業手游資訊
發布的時刻:2023-10-25 17:07:43 閱覽:994
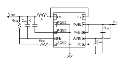
TOREX的XC9242系例是也能相關淘瓷電感,內嵌0.11Ω(TYP.)P一端MOS驅動器晶胞管及0.12Ω(TYP.)N橫截MOS電源開關氯化鈉晶體管的穩壓發送到整流DC/DC轉型器。XC9242系列作品DC/DC轉換成器減低置于晶胞管的導通熱敏電阻,能有有效率,安全的出具很高2.0A的效果感應電流。做工作幀率範圍在2.7V~6.0V,完成在工作中0.8V(±2.0%)的基準線直流電壓源,用外接熱敏電阻能隨便的從0.9V設定輸出直流電壓直流電壓。
XC9242(PWM反控)會選用1.2MHz和2.4MHz的按鈕概率。軟無法準確時間在1ms(TYP.),保證很快開起。最快約束直流電為4.0A(TYP.),能最適合高輸出功率的用途。
XC9242題材DC/DC轉變成器在待機時也可以把耗損電壓操控在1.0μA下。在待機時,由CL髙速充放電功能使LX-VSS期間的組成部分啟閉導通,借助自己電阻器使CL的正電荷擊穿。這能在待機時禁止以后電源適配器的有誤操作步驟。XC9242系列產品DC/DC轉變器默認設置UVLO(輸出欠壓啟閉閥Under Voltage Lock Out)使用性能,在輸進電壓降多于2.4V(TYP.)時,禁止地中斷內部組織驅動包晶胞管工作。

特征描述
放到能夠器:0.11Ω(TYP.)P-ch驅程納米線管.,0.12Ω(TYP.)嵌到N-ch推動器
發送線電壓面積:2.7V~6.0V
模擬輸出電流值標準:0.9V~VIN
FB電流值:0.8V±2.0%
高轉換成成功率:95%(TYP.)
輸出直流電壓:2.0A
速度規模:1.2MHz±15%,2.4MHz±15%
非常高占空比:100%
能:帶軟起動,CL自動尖端放電,局限電壓(自功復歸),過高關斷,UVLO
轉換電感:陶瓷圖片電感
剎車形式:PWM統一控制車
平均溫度標準:-40℃~+85℃
適應性節能標準規定:與EURoHS年紀響應、無鉛化
TOREX半導體芯片最主要提供了COMS、感知器、二級管等元元器件封裝封裝,品牌以小體型大小、穩定性優異而最有名氣的。
東莞 市立維創展科技有限責任品牌有限責任品牌,優質二級分銷TOREX交流電源集成電路芯片,大批量現貨黃金庫存商品,歡迎大家合伙。
詳情頁了解TOREX請彈框://imyme.cn/brand/62.html
機型 | 參考使用電壓值 | 運轉頻點 | 封口 |
XC9242B08CDR-G | 0.8V | 1.2MHz | USP-10B |
XC9242B08DDR-G | 0.8V | 2.4MHz | USP-10B |
上一篇: AC-DC電源模塊_AC-DC轉換器——PICO電源模塊
下一篇: ?DELTA工業電源