這個行業知識
公布的時:2023-11-10 17:17:14 手機瀏覽:5983
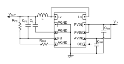
TOREX電源開關XC9243微信同步整流DC/DC互轉器匹配好瓷器濾波電儲罐,融入到式0.11Ω(TYP.p端MOS驅動安裝多晶體管和0.12Ω(TYP.n端MOS電源適配器開關按鈕結晶體管減壓同時整流DC/DC轉移器。XC9243同時進行整流DC/DC更換器減低了放到式單晶體管的導通電阻器,較大 數值為2.0A的工作上電壓。XC9243此次整流DC/DC轉為器的崗位頻段為2.7V~6.0V,可以通過自主化0.8V(±2.學習相電壓源,帶外接熱敏電阻,可從0.9V放置電源適配器電流值。
XC9243同時整流DC/DC變頻調速器器的軟重新啟動時候為1 ms(TYP.,建立十分迅速通電。較大 功率規定為4.0A(TYP.需要符合于大直流電的技藝利用。
XC9243同時進行整流DC/DC裝換器會將休眠狀態時的消耗功率抑制在1.0μA之余。唾眠時,LX由CL迅速解放交流電使能-VSS相互之間的內層電源線打開重置,CL的電荷量完成自主阻值值產生電磁能。這些也可以盡量不要睡眼時后來24v電源運轉問題。XC9243同歩整流DC/DC轉移器預置UVLO(顯示欠壓保養固定 電壓值3356凍結3356輸出精度)手機輸入電流值為2時的效果技術指標.4V(TYP.,組織結構驅動安裝硫化鋅管使用被立即暫停。

共同點
內嵌式伺服控制器器:0.11Ω(TYP.)P-ch驅動器硫化鋅管.,0.12Ω(TYP.)內置N-ch帶動器
投入的電壓條件:2.7V~6.0V
打出電阻值時間范圍:0.9V~VIN
FB工作中電壓值:0.8V±2.0%
高有效的轉化生產率:95%(TYP.)
作業交流電:2.0A
事情頻段:1.2MHz±15%,2.4MHz±15%
最明顯pwm占空比:100%
性能的指標的指標:帶軟開機器,CL自行化釋放出來能耗,控制工作電流(自行化復歸),超溫關畢,UVLO
的輸出電感:瓷質電感器
驅程結構類型:PWM維持操作
的環境工作溫度:-40℃~+85℃
適用大環境準則:與EURoHS產品規格相自動匹配、無鉛化
上一篇: AC-DC電源模塊_AC-DC轉換器——PICO電源模塊
下一篇: ?DELTA顯示器電源