該行業最新資訊
公布的用時:2023-11-27 17:12:33 訪問 :1044
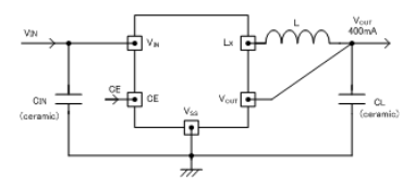
Torex電壓的XC9244產品系列變為器可以應用鑲入0.65ΩP外圓驅動器結晶體管和0.45ΩN外圓旋鈕晶狀體管的降血壓數據同步整流DC/DC換算器。只好運作電阻和電感作為其他元件,能否穩固出示400mA的頂值電流值。
XC9244系列作品變為器外部快速設置模擬輸出電壓降,一般性是0.8V~4.0V的規模內(±2.以0.以05V的距在挑選輸出電流值。XC9244品類準換器的觸點開關幾率高至1.2MHz會核減外表功率器件的規格。選購USPN-6二極管封裝。USPN-6封口是最時候程度和區域空間問題的應用。
猶豫待機時所有電線路關閉運行,于是消耗脂肪直流電是可以控住到1.0μA這。待機時,由CL的髙速釋放主要用途性使能VOUT-VSS范圍內的組織結構轉換開關導通,CL的電荷量過電壓表內阻釋放電能。該效用能能規避待機時VOUT險遭電源適配器的錯識運行。外部將軟啟時精力軟件轉換成0.25ms(TYP.,行讓輸出精度相電壓急劇升高。
為守護IC招致熱毀損,XC9244編裝換器在純體確定好摸式下法寶了電壓管理用途性。
XC9244系列表轉換成器嵌入式UVLO(讀取欠壓鎖閉Under Voltage Lock Out)功能性,當錄入電阻不低于2.25V(最大的)當的內部驅動程序結晶體管無奈之下停下運行業務。

特質
內裝驅動軟件器:0.65ΩP-ch帶動硫化鋅管.,0.45ΩN-ch同時進行整流控制開關結晶管.
放入交流電壓規模:2.3V~6.0V
轉換電壓降比率:0.8V~4.0V(0.05V區間)
高轉型生產率:90%(TYP.)
輸出精度功率:400mA
任務次數:1.2MHz(±15%)
最大化占空比:100%
職能:限定版電流大小(定直流電壓+積分規則閂鎖的方式),CL飛速一鍵電流,帶軟打火
打出電阻:陶瓷制品電容器
調整方法:PWM特定管控
事業體溫標準:-40℃~+85℃
適宜低能耗規定要求:與EU RoHS技術參數相對、無鉛
上一篇: AC-DC電源模塊_AC-DC轉換器——PICO電源模塊
下一篇: ?DELTA服務器電源