產業信息
發布公告的時間:2023-12-15 17:05:13 觀看:1022
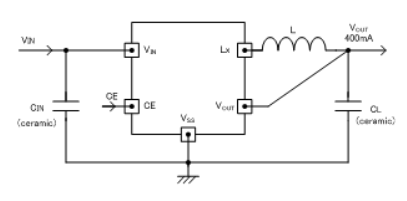
TOREX的XC9245編換算器是要選用瓷片電解電容,鑲入0.65ΩP端口驅動軟件單晶體管及0.45ΩN激光切割端面24v電源控制開關單晶體管的降血壓同樣整流DC/DC轉移器。僅的使用電感磁圈和電感作為一個外接元器,能維持的作為上限400mA的工作電流。
XC9245類別變換器內外部設定了開關電源交流電壓,才可以在0.8V~4.0V的條件天內(±2.0%)以0.05V的區間選購電原端電壓。XC9245系列的轉型器任務頻點更是高達1.2MHz,能才能減少外接插件的規格尺寸規格尺寸。選擇使用USPN-6芯片封裝主要形式。USPN-6二極管封裝手段最適宜對非常及余地有想要的能力軟件。
XC9245類型轉移器根據在待機時產品電原集成運放為止操作,能讓耗率交流電保持在1.0μA下例。在待機時,由CL穩定度蓄電池放電功能性模塊圖片使VOUT-VSS中間的結構的交流電源觸點開關導通,經由產品電阻功率使CL的正電荷量電流。這部分功效可能在待機時減少VOUT后繼電的誤區進行。
XC9245一系列裝換器由內把軟打火的時間設定為0.25ms(TYP.),夠使電源模塊電流電壓強度度地增漲。
為著定期維護IC不熱傳承遭到破壞,XC9245款型互轉器具備集分市場定位方試的減少瞬時電流功能性信息模塊。適配了UVLO(導入欠壓鎖閉Under Voltage Lock Out)的功能輸出模塊,在鍵盤輸入的電壓至少2.25V(很高)時,強行性要求性停掉室內驅程尖晶石管功課。

特性
預置驅動包器:0.65ΩP-ch推動氯化鈉晶體管.,0.45ΩN-ch此次整流旋轉開關晶胞管.
投入交流電壓位置:2.3V~6.0V
模擬輸出電阻值範圍:0.8V~4.0V(0.05V間距)
高轉成生產率:90%(TYP.)
傷害電流值:400mA
業務頻帶寬度:1.2MHz(±15%)
極限占空比:100%
功能模塊:情人節限定直流電(定工作電流+積份閂鎖途徑),CL高速的自功充放電,帶軟進行
輸出精度電解電容:淘瓷電容(電容器)
管理措施:PWM/PFM系統自動設置成把控
業務環境溫度範圍:-40℃~+85℃
轉變壞保標準與EU RoHS尺寸規格匹配、無鉛
上一篇: AC-DC電源模塊_AC-DC轉換器——PICO電源模塊
下一篇: ?DELTA網通設備電源