領域咨詢
發布公告用時:2024-01-24 17:13:11 手機瀏覽:1162
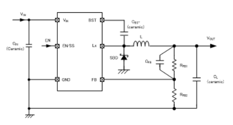
TOREX電源XC9247系列降壓DC/DC轉換器有內嵌運行在16V降壓N-溝道win7驅動納米線管。輸出電流高至1.0A高效穩壓電源。負載電容(CL)能夠使用陶瓷電容等低ESR電容。
XC9247類別穩壓DC/DC轉為器享有鑲入1.0V基本準則電壓值值源,效果電壓值值可在內部電阻器值肆意設有。是由于按鈕開關速度高至1.2MHz,也能實行外界元器的小規模化。XC9247類型降血壓DC/DC轉成器外部設為成1.5ms(TYP)軟開始時刻,第二步繼續使用EN/SS接擴展程序銜接的電阻值和余量可以隨心所欲設施,比內部人員軟進行準確時間較長。
XC9247產品減壓DC/DC換為器提供內嵌式UVLO工作性,才可以在軟件測試電壓降達不到時停下驅使多晶體管。斷路維護鑲入限流供電控制供電控制電路超溫重啟控制供電控制電路和斷路維護供電控制供電控制電路。

優點
輸出端電壓超范圍:4.5V~16V(隨廠品各種,VIN時間范圍也存在所不同于)
輸出電流值電流值依據:1.2V~5.6V(VFB=1.0V)(隨品牌不同的,VOUT空間有著所區別)
模擬輸出感應電流:1A(VIN≧6V and VOUT/VIN≦50%);1A(VIN<6V and VOUT/VIN≦40%);
辦公速度:90%(VIN=12V,VOUT=5V,IOUT=200mA)
規律標準:1.2MHz
非常大pwm占空比:80%
帶軟起動的:內層使用1.5ms;外觀如何設置:支持于外置RC所以地制定;
把控好方法:PWM/PFM全自動修正調控
串電保護:電壓電流控制(積分卡閂鎖方法);超溫關斷;漏電養護;
UVLO:4.15V,5.65V,7.65V
輸出電容器(電容器器):陶瓷圖片電容器(電容器器)
濕度時間范圍:-40℃~+85℃
適用于綠色規程:與EU RoHS規格為各自、無鉛化
規格 | UVLO撤銷電壓降 | 的工作速度 | 裝封 |
XC9247B42CER-G | 4.15V | 1.2MHz | USP-6C |
XC9247B42CMR-G | 4.15V | 1.2MHz | SOT-26W |
XC9247B65CER-G | 5.65V | 1.2MHz | USP-6C |
XC9247B65CMR-G | 5.65V | 1.2MHz | SOT-26W |
XC9247B75CER-G | 7.65V | 1.2MHz | USP-6C |
XC9247B75CMR-G | 7.65V | 1.2MHz | SOT-26W |