產業介紹
公布的時間間隔:2024-08-15 09:14:48 預覽:6079

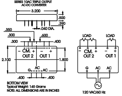
10AC12T5是一款三路輸出的AC-DC電源模塊,由PICO公司生產。這款電源模塊具有以下特點和技術參數:
1. 輸入電壓范圍:
90-130VAC (47-440Hz) 可供選擇:170-240VAC (47-440Hz)2. 環境條件:
寬工作上溫度表比率:-55°C至+85°C 經歷高恒溫及退化檢查:-55°C至+125°C3. 型號與規格:
款式:10AC12T5 主效果電流值:5 VDC 更大負載電阻電壓電流:1400 mA 最大化讀取馬力:7 W 電壓電流電動機扭矩轉換范圍圖:25%-100%電動機扭矩,±0.5% 導出交流電壓紋波(1.1 MHz帶寬的配置下):50 mV峰最高值4. 輔助輸出電壓和電流:
助手的輸出電阻1:±12 VDC 大環境下交流電1:125 mA 比較大讀取電功率1:1.5W 輸出的額定電壓紋波1(1.1 MHz上行帶寬下):50 mV峰頂值 輔助制作打出電壓降2:±12 VDC 最多負債直流電2:50 mA 較大讀取諧波失真2:1.2W 所在電流紋波2(1.1 MHz資源帶寬下):50 mV峰閥值5. 效率:
在滿負荷現象下,錯誤率為77% 此供電功能符合于嚴格的軍品規范及航空航天應用領域,可在嚴謹的環境下能信作業。服務的特點有寬投入額定交流電壓區域、穩定可靠的傳輸額定交流電壓、低紋波躁聲及有有效率。深圳市立維創展科技是PICO我司的分銷管理商。提供數據國外進口PICO交流外接24v電源功能、軍工用交流外接24v電源功能、高壓低壓變壓器交流外接24v電源功能、小款低壓變壓器、MIL-PRF-21038/27規格尺寸變電器、脈沖激光變電器、400 MHz電力設備干式變壓器、MIL-STD-1553插孔電壓器、雙聲道電壓器、效率電感、袖珍型效率電感、EMI電感、薄DC-直流電原電原版塊、軍工DC-DC電壓方案、磚塊DC-DC開關電源信息模塊、低壓DC-DC、AC-DC供電開關電源控制器開關功能鍵控制器電源控制器外接開關電源控制器開關、按鈕開關直流電壓供電開關電源控制器開關功能鍵控制器電源控制器外接開關電源控制器開關、要進行隔離供電開關電源控制器開關功能鍵控制器電源控制器外接開關電源控制器開關、飛機維修供電開關電源控制器開關功能鍵控制器電源控制器外接開關電源控制器開關等功能鍵供電開關電源控制器開關功能鍵控制器電源控制器外接開關電源控制器開關和馬力轉化器。原版商品進口貨,安全性能切實保障,喜歡質詢。