業內容
上傳時間間隔:2024-11-13 17:32:14 手機瀏覽:853
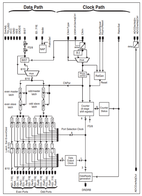
TS81102G0FS是E2V的是一款單面10位迅速(高至1.5Gsps)多路分用器。DMUX基本上適用于和不同ADC并且運轉,更為體地說,TS81102G0FS與e2v繞城高速ADC 8位1Gsps TS8388B、ADC 10位2Gsps TS83102G0B很好適應。
TS81102G0FS選擇經歷過全面開展的框架,例如延后保持與能調式輸入電平。
TS81102G0FS能否讓粉絲將迅速輸出數據顯示流構思到的規定數字信號治理器傳送速度(的規定FPGA)

具體基本特征
可程序語言DMUX比率:
-1:4的數據時延最快=750 Msps
-PD(8b/10b)<4.3/4.7W(ECL 50內容輸出)
-1:8統計資料速度最高的=1.5Gsps
-PD(8b/10b)<6/6.9W(ECL 50的輸出)
-1:16,帶1個TS8388B或1個TS83102GO和2個DMUX
并行性輸送模式英文
8/10位
.ECL差分導入數據報告
.參數工作或參數工作/2顯示石英鐘
.輸出數字時鐘采樣系統網絡延時改善
單端的輸出資料:-調節式共模和擺動-形式邏輯性域值參考資料輸出的
-ECL、PECL、TTL
.異步更改
云同步初始化
.ADC和DMUX多安全通道技巧選用:選用于ADC取樣就算居與自立延緩自動調節接口
差總分據安排打出
內嵌式自動檢查(BIST)
雙24v電源VEE=-5V,Vcc=5V
·針對影響接受力總體的設計(預計在不超100 Krad(Si))
熱改善CQFP196腔往右二極管封裝
淘汰
運轉濕度:
-C級:0C-V級:-40℃-M級:-55C·“C”、“V”和“M”級的的標準排查職務級別
·ESA SCC 9000“M”級區域中需求階段(給出特殊要求)
成都立維創展高新科技是Teledyne E2V的生產商商,其主要市場機制Teledyne E2V數模轉化器和半導體行業,Teledyne E2V的運用的領域涉及到通信網絡、自動的化、發覺、醫院、節能減排等。多少錢特點,喜愛聯系。