的行業手游資訊
頒布周期:2025-02-12 15:52:44 搜素:530
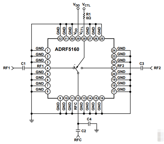
ADRF5160是Analog Devices Inc.(ADI)推廣的十款高的性能硅基0.7 GHz至4.0 GHz單刀雙擲(SPDT)漫反射電源開關,利用無引腳、單單從表面貼裝的打包封裝的方式。ADRF5160專為高最大功率應運和蜂窩地基建筑設施,如太久發展史(LTE)移動基站等來設計。ADRF5160享有卓越的高公率處置性能,其長期的(>10年)平衡典型案例值在8 dB峰均比LTE情況下可達到41 dBm,同時在2.0 GHz下的其最典型的讀取耗率僅為0.7 dB。除外,ADRF5160的輸入三階截點(IP3)具代表性數值為70 dBm,0.1 dB減小點(P0.1dB)非常典型值一般選擇47 dBm。
ADRF5160的片上電路設計在5 V單正主機電源適配器電壓工作電流下操作,典例主機電源適配器工作電流僅為1.1 mA,是PIN電感按鈕的夢想使用計劃。ADRF5160的裝封符合標準RoHS標準單位,進行緊湊型suv的32引腳、5 mm × 5 mm LFCSP設計的。

特征參數簡述:
折射式設計構思,50 Ω電位差篩選
低進到這一領域損耗費:在2.0 GHz有以下,典范數值為0.7 dB
高公率處置特性,在TCASE = 105°C具體條件下突出表現優質
不斷(>10年)總值效率主要表現:
連繼波工率:43 dBm
谷值額定功率:49 dBm
LTE總值工作功率(8 dB峰均比):41 dBm
單筆活動(<10秒)平衡LTE工作效率(8 dB峰均比):44 dBm
高非線性度情況:
P0.1dB典型示范值:47 dBm
IP3經典值:70 dBm
感應電釋放電能(ESD)呵護等級劃分高:
人仿真模型(HBM):4 kV,3A級
導電連接系統仿真模型(CDM):1.25 kV
單正電源適配器線電壓:5 V
正的控制數據,兼容CMOS/TTL電平
狹窄的32引腳、5 mm × 5 mm LFCSP封裝類型
利用各個領域:
有線理論知識安全設施環保設備
軍事科學及高靠得住性利用場景中
側量側量儀器
有所作為PIN電子元器件大家庭中的一員-二極管電源開關的充當方式
成都市立維創展現代科技是ADI的包銷商,包括給予擴大器、線性網絡物品、數據文件互轉器、音視頻物品、聯通寬帶物品、鐘表和訂時IC、電信光纖電力物料、接口標準和連續、MEMS和感應器器、電源線和熱經管、操作器和DSP、微波射頻和圖文進行處理設備、觸點開關和安排器等,企業產品原廠現貨交易,房價其優勢,歡迎詞咨詢中心。