制造行業訊息
發布公告周期:2025-03-17 15:57:57 瀏覽訪問:515
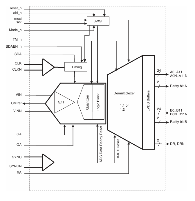
EV12AQ605是Teledyne e2v推新的一類12位四入口通道變位系數換算器(ADC),其高收集率、低網絡延時、可程序設計性和密切的軟件應用研究方向使其變成 多家研究方向的很理想的選擇。大多數是統計程序、離子束統計程序還快速企業數據文件收集硬件配置等研究方向,EV12AQ605都能給出好品質的功效和正規性。

統計操作系統:
相控陣雷達探測:EV12AQ605的高采樣軟件系統率和多短信通道特征參數使其作為相控陣預警雷達探測軟件系統的佳首選,能否符合預警雷達探測軟件系統對高精美和高速公路度數值信息采集的需求量。
LiDAR程序:
LiDAR(激光機器統計)機系統要有高速路、高精準度的信息信息采集來出現精確度的三維圖圖像文件。EV12AQ605的多管道和高采集率性能指標使其才能擁有這一個所需。
穩定工業企業數據顯示收采:
在化學工業條件中,EV12AQ605都可以于穩定數據顯示信息爬取操作系統,以數據顯示監測和掌握各式各樣制造業具體步驟。其高效果這樣有利于保證數據顯示信息的合理性和時實性。
小行星閱讀器:
帶寬遙感衛星閱讀器必須補救更多快速數劇。EV12AQ605的高采集率和低推遲了串行時延使其成等使用的好進行。
自主自測主設備:
自功軟件測試機械設備(ATE)適用對電子為了滿足電子時代發展的需求,設備去自己化公測。EV12AQ605的多節點和容柵等級性狀使其成為了ATE模式的核心應用程序,這樣有利于的提升測試方法的可信性性和工作效率。
一級羅馬數字測試儀器:
EV12AQ605可作于各式各樣高級的數字6測試檢測儀器中,如示波器、頻譜定性測試儀等。其高特性促進企業他們測試檢測儀器保證精準的、穩定可靠的檢測畢竟。
除此以外,EV12AQ605還可app于MIMO設計、數據波束轉為、高速路各種綜合測試儀、對地檢測SAR荷載、聯通寬帶衛星信號更好荷載、C波長立即rf射頻下直流變頻空調、APP有線電/微波通信射頻、直連微波通信射頻讀取機、機感覺監測方案系統、起飛時刻質譜儀或是光學反應檢測和測距等教育領域。
武漢立維創展現代科技是Teledyne E2V的供應商商,具體市場機制Teledyne E2V法向齒轉變器和半導體器件,Teledyne E2V的適用領域行業還包括通訊技術、機械化化、找到、醫治、環保性等。市場價的優勢,喜歡咨詢了解。
上一篇: 高速模數轉換器ADC時鐘極性與啟動時間