相關行業手游資訊
發表時:2025-05-19 16:36:33 閱讀:373
MUN12AD03-SECM是一種款極有效應率DC/DC電源線模快,具備條件PWMT Mode手動進行和利用根據的手機省電經營模式,可提供了更容易的調整線路和更加快的瞬態出錯。MUN12AD03-SECM交流電源模組憑借著其好的機械性能和中國多元化優勢可言,在替換有關上,TPSM86325x、TPSM82913、TPSM843320、TPSM82903、TPS82130等TI的降血壓電源線傳感器該用MUN12AD03-SECM使用替代品。
性能的對比
l TPSM843320E:還具有擴張運行的溫度比率的 4V 至 18V 讀取、3A 數據同步 SWIFT? 減壓電源適配器控制器,封裝類型的為 USIP,作業聲音頻率加固,最大化占空比值 94%,可由 MUN12AD03-SECM 用作。
l TPSM863253:應用 QFN 封裝的 3V 至 17V 錄入直流電壓、3.3V、3A 工作輸出同時穩壓版塊,封裝形式形式為 QFN-FCMOD,工作的規律為云同步減壓,最高占空之比 95%,可由 MUN12AD03-SECM 替代品。
l TPSM82913E:17V 搜索輸出功率、3A 低躁聲和低紋波降血壓接口,封裝款式款式為 B0QFN,工做工作頻率為云同步降血壓,上限占空比是 100%,可由 MUN12AD03-SECM 代替。
l TPS82130:有著集成系統電調節器的 17V 搜索相電壓、3A 穩壓轉型器方案,封口型號為 USIP,本職工作幾率為導入降血壓,比較大占空比是 100%,可由 MUN12AD03-SECM 用于。

充當資源優勢
1. 供應信息鏈與制造費優越性
l 提貨時間間隔同比減少:比較穩定在4-6周,地方規格型號扶持外盤產生,徹底刪除文件處理好TI參數交貨不確立的困惑。
l 價格SEO差異性:平均價大幅度降低30%-50%,大批量購買可進每一步壓縮成縱向BOM代價15%這些,且免去全球高端品牌的NRE花費。
2. 性能參數與ibms度升級
l 高成效制作:可以寬錄入電壓值比率,包裹TI原類型的大部分工作上范圍內,輕載工作效率達85%大于,要素動畫場景效果遠低于原款型。
l 服務器合理利用:通過最新封裝方法,較TI模塊電源合理安排30%不低于PCB大小,默認設置MOSFET、電感及賠償金電源線路,外場組件提高40%,格外非常適合緊身型采用(如工農業感知器、汽年網絡)。
l 車規級v認證:依據AEC-Q100安全認證,考慮高穩定經濟性具體需求。
3. 兼容性問題有效保障
l MUN12AD03-SECM在至關重要運作(如工作輸出電流大小、電流)上與TI原參數壓根兼容,移動用戶必須編輯目前有三極管設置就行了滿足無逢代替,同時得到優質的本市化技術應用不支持,杜絕國際貿易方面風險點。
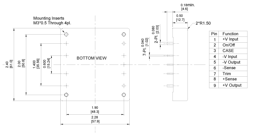
MUN12AD03-SECM能以為TPS82130SIL和TPS82140SIL的原位代用。其二極管封裝和引腳布置與TPS82130SIL、TPS82140SIL同樣,可隨時截取,暫時無法修復PCB制定。
東莞 市立維創展科持微商代理權微商代理Cyntec全部物品,專注于為顧客提供數據高線質量量、高線質量量、收費公平的主機電源包塊物品。Cyntec的24v電源模快DC-DC產品的,完工盡快,免費的出具產品的樣品,要素規格現貨黃金貨存。舉個例子規格:MUN12AD03-SEC,MUN3CAD03-SE等。產品的原裝進口原廠裝配的,質確保,而且為全球大陸市場的供應能力使用,迎接咨詢服務。