產業資迅
更新時候:2025-05-28 16:28:14 瀏覽記錄:330
MH092D3RD不是款由臺達(Delta)種植的直流變壓器無刷無刷電機,臺達秉承于分娩優線質量及符合形態的交流電無刷步進啟動馬達,其步進啟動馬達新成品憑借座落全國的研制廠研制,并精益求精于持續時間的新成品的創新。MH092D3RD 電機的可用途于于實業半機械設備制造自動化、機械設備制造驅動器等域,其緊促的設計和較高的電功率密度單位使其滿足于須得極有速度率和低躁音的用途動畫場景。
常見性能參數
做工作直流電壓:280~340 VDC
額定負載電流:310 VDC
固定轉數:2100 rpm
額定力矩:36.4 N·cm
特殊電流量:0.370 A
額定值電功率:80 W
負載風噪:<50 dB(A)
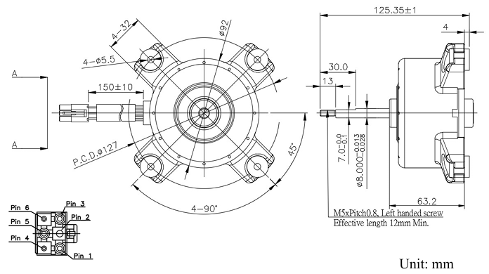
布線與模塊
引腳判定:
Pin 1:藍色,Vm(310 VDC)
Pin 2:空
Pin 3:黃色,Vcc(15 VDC)
Pin 4:藍,F/G 走勢輸入(每轉4輸入脈沖)
Pin 5:淡黃色,Vsp(0~5.7 VDC)
Pin 6:黑色的,GND

優缺點優劣勢
高效能建設:交流電無刷電機步進馬達相比于過去有刷電機步進馬達,擁有會高的錯誤率和更長的用生命周期,MH092D3RD應該傳承了這一些強勢,作為出眾的生產率展示。
可信度質:臺達起動電機成品以可信的效率出名,MH092D3RD應該經由嚴格執行的質量管理有效控制和測試英文,有效確保在各式各樣用途不一樣下都能穩固使用。
創新工藝工藝:臺達專心致志于產品自主創新,MH092D3RD會溶入了最新頭條的水平優秀成果,如比較好的的控制神經網絡算法、推廣的格局構思等,以提高自己步進馬達的的性能和正規性。
西安市立維創展科學有限的介紹以DELTA換氣扇大批量外盤存貨為少數民族特色,以優勢與劣勢的價為加盟商帶來了貼心服務,誠邀咨詢了解。。
Model No. | Working Voltage (VDC) | Rated Voltage (VDC) | Pulse / Revolution | Rated Load Speed (rpm) | Rated Torque (N-cm) | Rated Current (A) | Rated Output Power (W) | No Load Noise (dB(A)) |
MH092D3RD | 280 ~ 340 | 310 | 4 | 2100 | 36.4 | 0.370 | 80 | < 50 |
上一篇: ?為何DELTA臺達風扇備受認可?
下一篇: ?SUNON建準直流風扇