市場新聞
推送時刻:2025-05-29 16:38:27 查看:337
在AI保障器和高數據報告發送范圍,模塊智能互聯基帶芯片的使用性能真接決定了了裝置的總體高效率。隨著時間推移PCIe 5.0系統的興起和AI作業裝載的發生爆炸式的增長,傳統與現代工作方案V24B3V3C100BL已日漸形成瓶頸問題,而CHB100-24S33靠著其高安全性能,低利潤、交貨時間短,加入V24B3V3C100BL的高效率的代替選擇。
參數指標評測
性能 | V24B3V3C100BL | CHB100-24S33 |
輸進直流電壓區域 | 18-36VDC | 18-36VDC |
輸入輸出電阻 | 3.3V±1% | 3.3V±1% |
工作輸出工作電流 | 100A連續性/110A谷值 | 100A連續不斷/110A頂值 |
高效率(滿艙) | 92% | 91% |
工作任務的溫度 | -40°C至+100°C | -40°C至+85°C |
隔離防曬電流值 | 2250VDC | 1500VDC |
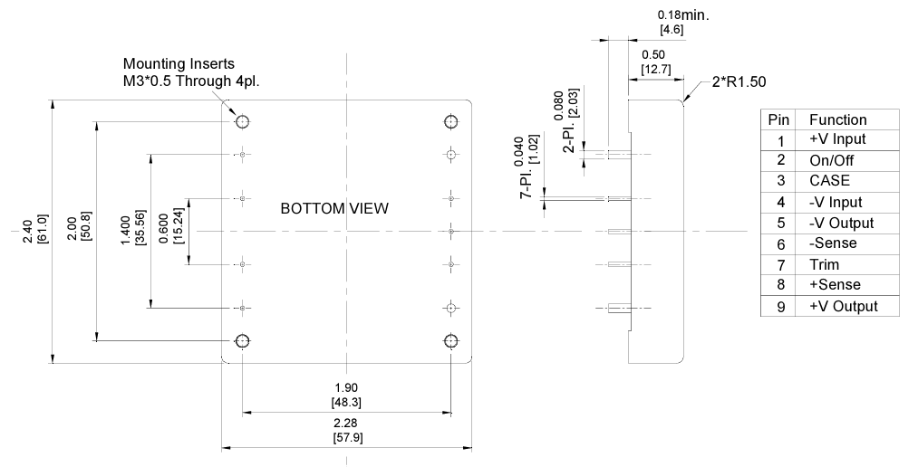
長寬比 | 33.0×22.6×7.3mm | 58.4×36.8×12.7mm |
含量 | 約25g | 約80g |
MTBF | >1,000,000半小時 | >500,0001天 |

帶替可以性
穩定性一致:CHB100-24S33在輸人工作電壓電壓范圍圖、輸出工作電壓電壓、輸出電壓和輸出公率上與V24B3V3C100BL是相匹配,就能夠滿意是一樣的的適用要求。
效果特點:CHB100-24S33的使用率最好相當于89%,在一級能效地方可能遠遠超過VICOR的車輛。
工作的室溫時間范圍:CHB100-24S33的工作上溫度的范圍更寬,為-40℃至100℃,差距后,V24B3V3C100BL的的工作室內溫度時間范圍為-25℃至100℃。
屏蔽相電壓:V24B3V3C100BL的屏蔽電阻值為3000VDC,而CHB100-24S33的防曬隔離霜電流為1500VDC,在高屏蔽電壓電流需要量的使用中,VICOR的軟件將凸顯出優點。
需小心的不一致性點
封裝類型長寬比:
VICOR按照ChiP二極管封裝(更緊身,33.0×22.6×7.3mm)
CINCON所采用規范標準1/4磚(58.4×36.8×12.7mm)
導熱來設計:
VICOR組件幫助底層熱量散發和殼體熱量散發
CINCON功能最主要根據底下風扇散熱
控住模塊:
VICOR展示PMBus數子調節主板接口
CINCON為模以管理(需判斷大概采用消費需求)
南京市立維創展科持是CINCON電源線包塊的微商代理生產商商,給予CINCON供電模組的DC-DC轉化器、AC-DC開關電源、LED電源線等,的產品原版進口貨,產品質量的保障,具有市場價格優質,歡迎語資詢.