服務業新聞
發布了時刻:2025-06-10 16:32:01 觀看:300
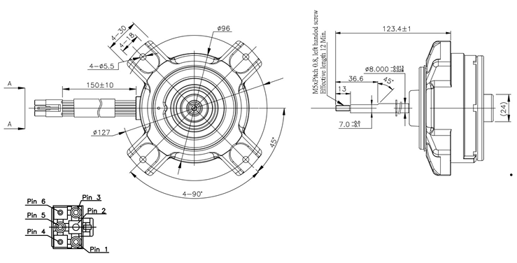
MH096D3RD電流無刷步進馬達是臺達(DELTA)生產加工制造的的一款性能參數匠心直流電三相異步電機,具有各種最新高技術優勢與劣勢。MH096D3RD故有極有使用率率、穩定的性、綠色試述方便施工的特征,已成為比較多的高技術性企業軟件應用下的理想的選擇。
核心指標
交流電無刷直流無刷直流電機種類:相電壓交流電無刷交流電無刷直流無刷直流電機(BLDC)
載荷系數電阻:24V/48V
特殊工作電壓:50W-200W(明顯值)
載荷系數轉動速度:3000-5000 RPM
首要性能指標
機械裝備特質:
尺寸:96mm(MH096表示法96mm底座后側)
裝配工藝流程:法蘭盤裝配(D3代表層次性法蘭盤規格)
軸徑:8mm/10mm(分類型號規格)

機械因素:
額定瞬時電流:2A-5A
極常用對數:4極/8極
絕緣電阻檔次:B級或F級(130°C或155°C)
效能性能:
效果:≥85%
輕載電壓電流:<0.5A
啟動服務器傳動比:額定功率轉距的2-3倍
接到線與電源接口:
殼體:JST ELP-06V或同樣管腳1:顏色,Vm(310 VDC)
管腳2:紅色,直流電評議
管腳3:黃色,Vcc(15VDC)
管腳4:藍,F/G4g信號輸入(4電磁/轉)
管腳5:成黃色,Vsp(0~5.7 VDC)
管腳6:咖啡色,GND)
防護性:CCC
杭州市立維創展現代科技有限責任工廠以DELTA粉絲大批量期貨存量為杭州特色,以好處的價格多少為買家出具貼心服務,熱情接待在線咨詢。
參數 | 事情電流電壓(直流電源電) | 特殊電流電壓(電流電)
| 脈寬/帶速 | 穩定載荷網絡速度(轉/20分鐘) | 穩定發動機功率(牛·Cm) | 特殊直流電壓(安培) | 載荷系數效果馬力(瓦) | 無電流噪聲(音貝(A)) |
MH096D3RD | 280 ~ 340 | 310 | 4 | 1400 | 34.1 | 0.230 | 50 | < 50 |
上一篇: ?為何DELTA臺達風扇備受認可?
下一篇: ?SUNON建準DC鼓風機