中文翻譯
LA302 Z–10GHz差分限制放大器
LA302 Z–10GHz差分限制放大器迅速數值通信網絡16針塑膠QFN二極管封裝抽樣率:限幅調大器讀取服務器帶寬:10 GHzSFDR:
LA310Z–8.3 GHz差分限制放大器
LA310Z–8.3 GHz差分限止圖像功率放大器采集率:限幅放小器插入速率:10 GHzSFDR:
10 Gbps跨阻放大器 TA205C
10 Gbps跨阻放小器 TA205C特點:10 Gbps跨阻放小器(5V)
LD162D? 差分激光二極管驅動器
OC-192/STM-64/10GbELD162DZ\U_G0 差分脈沖光穩壓管驅動程序器32針QFN封裝形式能力:差分TOSA推動器(5V)
14GHz Divide-by-2 DV002
14GHz Divide-by-2 DV002分頻比:2鐘表頻率:14 GHz基本特征:低電池壽命
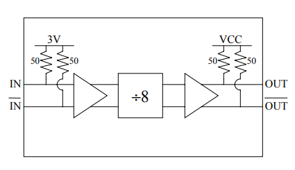
14GHz Divide-by-8 DV008
14GHz Divide-by-8 DV008分頻比:8鐘表頻繁:14 GHz特征:低電量
特征:低電量
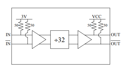
14GHz Divide-by-32 DV032
14GHz Divide-by-32 DV032分頻比:32鬧鐘率:14 GHz特點:低耗電量
12GHz Dual-Modulus Divide-by-4/5 DV45D
12GHz Dual-Modulus Divide-by-4/5 DV45D分頻比:4/5數字時鐘頻率:12 GHz表現:雙模量4/5
10GHz Programmable Divide-by-2 to 31 DV31P
10GHz Programmable Divide-by-2 to 31 DV31P分頻比:2?31石英鐘頻段:10 GHz表現形式:可程序設計系數2?31
8GHz Programmable Divide-by-128 to 255 DV255N
8GHz Programmable Divide-by-128 to 255 DV255N分頻比:128?255掛鐘規律:8 GHz特征描述:可和程序編寫系數128?255
共2頁40條數據