HMC659LC5/HMC659LC5TR分布點式電率拖動器 具備RoHS基準 ADI外盤總代理商
上傳的時間:2018-06-25 14:26:35 訪問:7997
HMC659LC5也是款GaAs MMIC PHEMT區域式電機電率變小器,通過包含RoHS標準的的5x5 mm無引腳陶瓷制品表貼封裝類型,在DC到15 GHz的率空間內工作任務。該變小器展示 19 dB增益值控制、+35 dBm輸送精度IP3和+27.5 dBm輸送精度電機電率(1 dB增益值控制再壓縮),功耗測試為300mA(通過+8V電原)。
HMC659LC5在DC - 15 GHz范圍之內內具備±0.7 dB的出眾增益值平整度,故而極其比較合適EW、ECM、統計和測驗環保設備操作。HMC659LC5變大器I/O的內部符合50 Ω,暫時無法第三方電子器件。HMC659LC5與高儲電量表貼加工技巧兼容。
|
品牌
|
型號
|
描述
|
貨期
|
庫存
|
|
ADI
|
HMC659LC5
HMC659LC5TR
|
功率放大器,采用SMT封裝,DC - 15 GHz
|
現貨
|
173
|
HMC659LC5應用
-
電信基礎設施
-
微波無線電和VSAT
-
軍事和太空
-
測試儀器儀表
-
光纖產品
HMC659LC5優勢和特點
-
P1dB輸出功率:+27.5 dBm
-
增益:19 dB
-
輸出IP3:+35 dBm
-
電源電壓:+8V(300 mA時)
-
50 Ω匹配輸入/輸出
-
32引腳陶瓷5x5mm
SMT封裝:25mm2
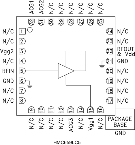
HMC659LC5結構圖
