HMC487LP5E/HMC487LP5ETR進行SMT芯片封裝2瓦特公率增加器 ADI外盤
分享日期:2018-06-25 15:48:33 搜索:2521
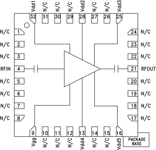
HMC487LP5(E)就是一款高動態圖片便用的范圍GaAs PHEMT MMIC 2瓦特公率變成器,分為無引腳5x5 mm表明貼裝二極管封裝。 該變成器在9至12 GHz的頻段下業務,供給20 dB的增益控制、+33 dBm的飽滿公率和20%的PAE,外接電源直流電壓為+7V。 導出IP3為+36 dBm(基本特征值)。 RF I/O為隔直網口,并配對至50Ω,便用的以便于。 HMC487LP5(E)沒有線焊,不能便用的表明貼裝研制高技術。
|
品牌
|
型號
|
描述
|
貨期
|
庫存
|
|
ADI
|
HMC487LP5E
HMC487LP5ETR
|
2瓦特功率放大器,采用SMT封裝,9 - 12 GHz
|
現貨
|
223
|
HMC487LP5應用
-
點對點無線電
-
點對多點無線電
-
測試設備和傳感器
-
軍事最終用途
HMC487LP5優勢和特點
-
飽和功率: +33 dBm(PAE為20%時)
-
輸出IP3為+36 dBm
-
增益為20 dB
-
+7V、1300 mA電源
-
50 Ω匹配輸入/輸出
-
25 mm2無引腳SMT封裝
HMC487LP5結構圖
