HMC847LC5高速公路4:1多路重復使用器 ADI期貨
分享日期:2019-02-20 16:15:19 挑選:1768
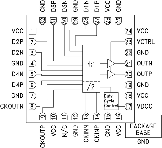
HMC847LC5是一個款4:1多路復接器,設計用到45 Gbps的數據庫源串行應運。 多路復接器在輸入數字數字鬧鐘的變為點鎖存四位差分輸入。 該電子元件選擇半頻率數字數字鬧鐘的上升時沿和減退沿來串行高速傳輸的數據庫源。 片內生產1/4頻率數字數字鬧鐘效果電壓,與HMC847LC5的的數據庫源效果電壓關聯。
HMC847LC5的所以鬧鐘和統計的數據發送/讀取均選用CML并能夠片內50 Ω端接至VCC,可選用直流電壓或交流會重疊耦合。 HMC847LC5的發送和讀取可選用差分或單端性能運行。 HMC847LC5還集成化1個讀取電平抑制引腳VCTRL,能作于損耗費補上或衛星信號電平改善。 VDCC引腳抑制統計的數據讀取重疊點與占空比。 HMC847LC5選用+3.3V單電變電,給出包含ROHS標準規定的5x5 mm SMT封裝。
|
品牌
|
型號
|
貨期
|
庫存
|
|
ADI
|
HMC847LC5
|
1周
|
120
|
假如您需要購得HMC847LC5,請單擊一側客戶服務聯系起來我!!!
HMC847LC5軟件
-
SONET OC-768
-
RF ATE應用
-
寬帶測試和測量
-
串行數據傳輸高達36 Gbps
-
高速DAC接口
HMC847LC5優勢和特點
-
支持高達36 Gbps的數據速率
-
半速率時鐘輸入
-
?速率參考時鐘輸出
-
快速上升和下降時間: 11/12 ps
-
可編程差分輸出電壓擺幅: 250 - 900 mVp-p
-
單電源: +3.3V
-
32引腳5x5mm SMT封裝: 25mm2
HMC847LC5示意圖
