HMC499LC4/HMC499LC4TR中高輸出功率放小器無引腳 ADI外盤
公布的用時:2018-06-26 11:11:34 查看:2173
HMC499LC4是一個款高信息范疇GaAs PHEMT MMIC一般瓦數調小器,用于契合RoHS標準單位的無引腳“無鉛”SMT裝封。 該調小器兼備21至32 GHz的工作上范疇,能提供16 dB增益值、+24 dBm飽合瓦數和16% PAE(+5V直流電壓直流電壓)。 隔直RF I/O符合至50 Ω,便用有利。 HMC499LC4不需要線焊,能夠 便用表貼生產制造工藝。
|
品牌
|
型號
|
描述
|
貨期
|
庫存
|
|
ADI
|
HMC499LC4
HMC499LC4TR
|
中等功率放大器,采用SMT封裝,21 - 32 GHz
|
現貨
|
215
|
應該用
-
點對點無線電
-
點對多點無線電和VSAT
-
測試設備和傳感器
優越和特別
-
輸出IP3: +34 dBm
-
飽和功率: +24 dBm (16% PAE)
-
增益: 16 dB
-
+5V(200 mA)電源
-
50 Ω匹配輸入/輸出
-
符合RoHS標準的4x4 mm SMT封裝
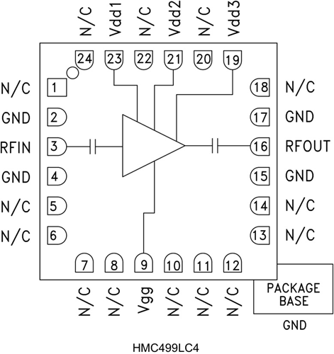
設備構造圖
