職業訊息
發布新聞的時間:2019-11-12 11:47:19 瀏覽訪問:2072
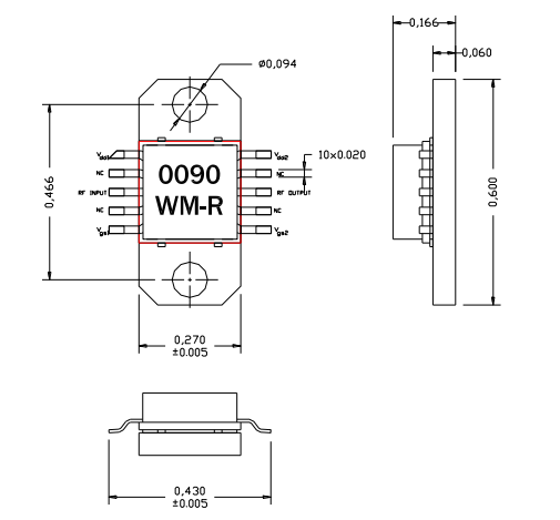
AM009023WM-EM-R工作功率放縮器是AMCOM平臺的超大帶砷化鎵MMIC,該擴大器擁有2五分貝的高增益控制,從50MHz到9GHz頻段的23dBm讀取效率,噪聲系數為4.5分貝至4赫茲,同時與50歐姆匹配的輸入/輸出

AM009023WM-EM-R耗油率變成器的封裝類型低部暗含微波射頻和直流變壓器引線,易于將低料工費SMT制做到PC上。AM009023WM-EM-R具備有直引線和銅/鎢卡箍當做銅卡箍,法蘭片面有一個螺孔,妥善擰上廢金屬水冷cpu散熱器。完全符合RoHS,利用教育領域差別是APPwifi電、儀器儀表、增加收益塊、低噪音分貝軟件應用等
AM009023WM-EM-R注重性能指標
頻點:0.05-9GHz
收獲:21
P1dB(DBM):21
PSAT(DBM):23
成功率:20
VD(V):12
廣州 市立維創展現代科技是AMCOM子公司總加盟代理,其大部分微波微波射頻移動寬帶車輛涉及到微波射頻晶胞管、MMIC瓦數擴大器、混后擴大器模組、帶寬擴大器、高瓦數擴大器模組、帶RF和DC拼接器的高電瓦數圖像電壓調大器方案和低噪音污染圖像電壓調大器,電瓦數圖像電壓調大器,控制開關,衰減器,移相器及上/下部交流變頻電機的訂制。