HMC-APH596/HMC-APH596-SX兩極GaAs HEMT MMIC中級瓦數放小器 ADI現貨黃金
分享時長:2018-06-29 11:18:34 搜索:1834
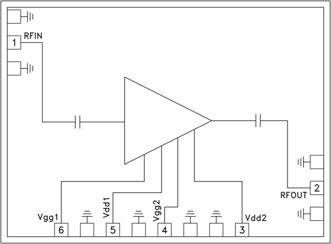
HMC-APH596有的是款二級GaAs HEMT MMIC高的英語任務效率調大器,任務幀率區間為16至33 GHz。 HMC-APH596可以提供17 dB增益控制,進行+5V外接電源電阻值時都具有+24 dBm工作輸出任務效率(1 dB縮短)。 每個焊盤和基帶芯片背部都由Ti/Au廢金屬化,調大器已根本鈍化以控制可信度實際操作。
HMCAPH596 GaAs HEMT MMIC高的英語工作效率變大器兼容中國傳統的集成塊貼裝方式,相應熱降低和熱超聲清洗線電焊工藝,極為滿足MCM和混合著微用電線路軟件。 這兒提示的所以數劇均是集成塊在50 Ω區域下使用的RF感應器打交道精確測量。
|
品牌
|
型號
|
描述
|
貨期
|
庫存
|
|
ADI
|
HMC-APH596
HMC-APH596-SX
|
MMIC中等功率放大器,16至33 GHz
|
現貨
|
323
|
利用
HMC-APH596優勢和特點
-
輸出IP3: +33 dBm
-
P1dB: +24 dBm
-
增益: 17 dB
-
電源電壓: +5V
-
50 Ω匹配輸入/輸出
-
裸片尺寸:
2.55 x 1.87 x 0.1 mm
HMC-APH596結構圖
