HMC633LC4/HMC633LC4TR推動圖像放大電路的頻率5.5至17 GHz ADI現貨平臺
更新時長:2018-06-29 11:41:51 打開網頁:1854
HMC633LC4一款GaAs PHEMT MMIC驅動軟件拖動器,分為無鉛4x4 mm表貼工業陶瓷芯片封裝,運轉頻帶寬度依據為5.5至17 GHz。 該拖動器出示可以達到30 dB的增加收益值、+30 dBm內容效果IP3及+23 dBm的內容效果熱效率(1 dB增加收益值縮小時),輸出功率為180 mA(+5V24v電源)。
HMC633LC4驅動安裝調大器愈來愈最適合本職工作頻段時間范圍為5.5至17 GHz的微波通信wifi手機電使用,電壓電流可偏置為+5V (130 mA)以給予2 dB較低增加收益并增強PAE。 隔直調大器I/O一致50 Ω,不要外鏈一致器件。
|
品牌
|
型號
|
描述
|
貨期
|
庫存
|
|
ADI
|
HMC633LC4
HMC633LC4TR
|
驅動放大器,采用SMT封裝,5.5 - 17 GHz
|
現貨
|
269
|
軟件
-
一對一手機無線電
-
點對多些遠程電和VSAT
-
混頻器LO驅使器
HMC633LC4優勢和特點
-
增益: 30 dB
-
P1dB: +23 dBm
-
飽和功率:+23.8 dBm (24% PAE)
-
電源電壓: +5V (180 mA)
-
50 Ω匹配輸入/輸出
-
24引腳4x4mmSMT陶瓷封裝: 16mm2
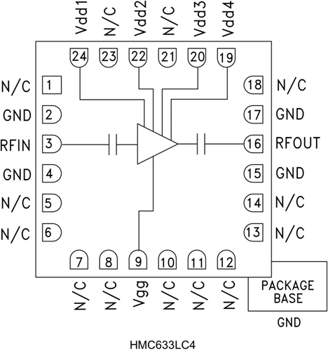
HMC633LC4結構圖
