HMC1063LP3E/HMC1063LP3ETR緊奏型型I/Q MMIC混頻器 ADI現貨黃金
上架事件:2018-07-02 14:41:15 閱讀:1899
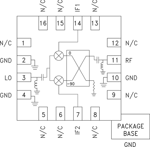
HMC1063LP3E是一種款緊奏型型I/Q MMIC混頻器,用“無鉛”SMT封裝類型,能夠 選擇作鏡像軟件軟件治理和改善混頻器或一側攜帶直流調頻空調器。 該混頻器用倆個規定Hittite雙平橫混頻器單無和另一個直角混和元器,均用GaAs Schottky穩壓管加工制作工藝 制造廠出。 脈沖電流正交混和元器主要用于造成1,000 MHz LSB IF工作輸出。 該好產品為混和型鏡像軟件軟件治理和改善混頻器和一側攜帶直流調頻空調器配件的超小型用作元器。 HMC1063LP3E沒有線焊,能夠 用表貼制造廠出工藝。
|
品牌
|
型號
|
描述
|
貨期
|
庫存
|
|
ADI
|
HMC1063LP3E
HMC1063LP3ET
|
GaAs MMIC I/Q混頻器,24 - 28 GHz
|
現貨
|
259
|
HMC1063LP3E應用
-
點對點和點對多點無線電
-
軍用雷達、EW和ELINT
-
衛星通信
-
傳感器
HMC1063LP3E優勢和特點
-
低LO功率: 10 dBm
-
寬IF帶寬: DC - 3 GHz
-
鏡像抑制: 21 dBc
-
LO/RF隔離: 40 dB
-
高輸入IP3: 17 dBm
-
16引腳3x3 mm SMT封裝: 9 mm2
HMC1063LP3E結構圖
