HMC1113LP5E/HMC1113LP5ETR表貼芯片封裝主體工程型下直流三菱變頻器 ADI現貨交易
上架時長:2018-07-03 10:16:58 搜索:2468
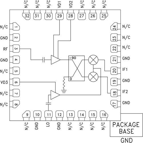
HMC1113LP5E就是一款緊奏型型GaAs MMIC I/Q下調頻柜器,進行無鉛5 x 5 mm低內應力壓鑄塑料件表貼封口。 該器材供給12 dB的小移動信號變為增加收益、1.8 dB的嗓聲數值和25 dBc的系統系統系統映射軟件可調控性功效。 HMC1113LP5E進行LNA,后接由LO緩解器拖動器控制的系統系統系統映射軟件可調控性混頻器。 該系統系統系統映射軟件可調控性混頻器能讓LNA往后就不需要采用濾波器,并可除掉系統系統系統映射軟件聲音頻率下的熱嗓聲。 它存在I/Q混頻器輸出,必需外觀90°混型器材用做選購必需邊帶。 HMC1113LP5E為混型系統系統系統映射軟件可調控性混頻器下調頻柜器零部件的中小型替代品器材,它就不需要線焊,能采用表貼造成水平。
|
品牌
|
型號
|
描述
|
貨期
|
庫存
|
|
ADI
|
HMC1113LP5E
HMC1113LP5ETR
|
GaAs MMIC I/Q下變頻器,10 - 16 GHz
|
現貨
|
257
|
HMC1113LP5E軟件
-
點對點和點對多點無線電
-
軍用雷達、EW和ELINT
-
衛星通信
HMC1113LP5E優勢和特點
-
轉移收獲:12 dB
-
鏡像軟件調節:25 dBc
-
LO至RF丟開:45 dB
-
噪聲污染彈性系數:1.8 dB
-
IP3:1 dBm
-
32引腳5 x 5 mm SMT封裝
HMC1113LP5E結構圖
