行業內信息資訊
發布消息時刻:2018-07-03 10:41:21 瀏覽器:2431
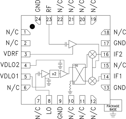
HMC977LP4E是一款緊湊型GaAs MMIC I/Q下變頻器,采用符合RoHS標準的無引腳SMT封裝。 該器件提供14 dB的小信號轉換增益、2.7 dB的噪聲系數和21 dBc的鏡像抑制性能。 HMC977LP4E采用LNA,后接由有源x2倍頻器驅動的鏡像抑制混頻器。 該鏡像抑制混頻器使得LNA之后無需使用濾波器,并可消除鏡像頻率下的熱噪聲。 它具有I和Q混頻器輸出,所需外部90°混合型器件用于選擇所需邊帶。 立維創展 ADI現貨平臺HMC977LP4E是混合型鏡像抑制混頻器下變頻器組件的小型替代器件,兼容表貼制造技術。
| 品牌 | 型號 | 描述 | 貨期 | 庫存 |
| ADI |
HMC977LP4E HMC977LP4ETR |
I/Q下變頻器,采用SMT封裝,20 - 28 GHz | 現貨 | 129 |
HMC977LP4E應用
HMC977LP4E優勢和特點
HMC977LP4E結構圖
