HMC904LC5/HMC904LC5TR手機無線電下定頻器 ADI外盤微商地區代理
推送時段:2018-07-03 13:45:37 觀看:2395
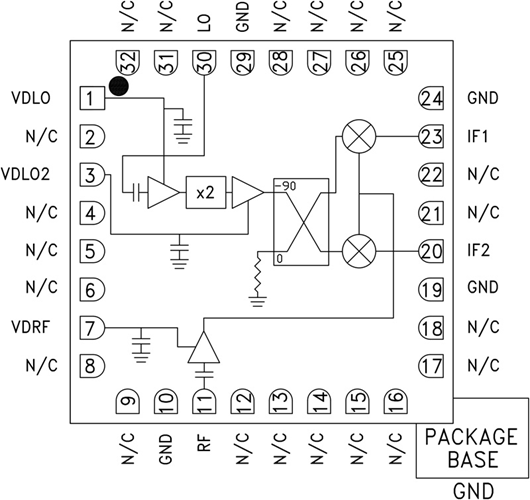
HMC904LC5有的是款緊奏型型GaAs MMIC I/Q下變頻柜器,選取包含RoHS基準的無引腳SMT裝封。 該元器提高數據12 dB的小數據信號準換增益值、3 dB的燥音比率,并在頻段依據內提高數據30 dB的系統鏡像系統調節耐磨性。 HMC904LC5選取LNA,后接由有源x2倍頻器驅動下載的系統鏡像系統調節混頻器。
該系統鏡像文件軟件減弱性混頻器可使LNA隨后不要的使用濾波器,并可減少系統鏡像文件軟件平率下的熱背景噪聲。 它具備I和Q混頻器打印輸出,所用外鏈90°相混型元元器件封裝于選定 所用邊帶。 HMC904LC5是相混型系統鏡像文件軟件減弱性混頻器下直流變頻空調器元器件的小行代換元元器件封裝,兼容表貼創造枝術。
|
品牌
|
型號
|
描述
|
貨期
|
庫存
|
|
ADI
|
HMC904LC5
HMC904LC5TR
|
GaAs MMIC I/Q下變頻器,17 - 24 GHz
|
現貨
|
105
|
用
-
雙向和點對多方向無線網電
-
軍工用雷達天線、EW和ELINT
HMC904LC5優勢和特點
-
轉換增益: 12 dB
-
鏡像抑制: 30 dB
-
2 LO至RF隔離: 45 dB
-
噪聲系數: 3 dB
-
輸入IP3: 0 dBm
-
32引腳5x5mm SMT封裝: 25mm2
HMC904LC5結構圖
