HMC6146BLC5A/HMC6146BLC5ATR無限電可變性增益值上變頻式器 ADI現貨平臺
披露期限:2018-07-04 10:06:39 觀看:6780
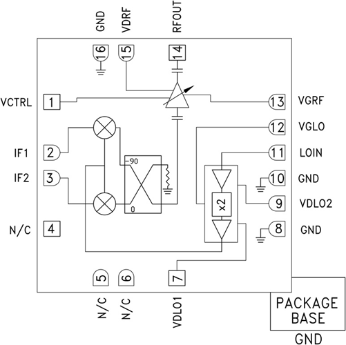
HMC6146BLC5A是一種款家用suv轎車型GaAs MMIC I/Q可變性氣門正時增加收益值調節上變頻器,選取無引腳RoHS兼容型SMT封口。 該器材帶來了12 dB小衛星信號改變增加收益值調節,具備有25 dBc邊帶促使和17 db增加收益值調節調節。 HMC 6146BLC5A選取RF可變性氣門正時增加收益值調節拖動器,在其在之前為一種I/Q混頻器,LO由X2倍頻器驅動包。 帶來了IF1和IF2混頻器鍵入,同時可完成第三方90°融合選擇想要邊帶。
I/Q混頻器拓撲關系拉低了重要性抑制邊帶做好濾波的耍求。 HMC6146BLC5A也是款更輕便、會帶替混雜一側戴上變頻式器的產品,認可表貼制作技巧,不可線焊。
|
品牌
|
型號
|
描述
|
貨期
|
庫存
|
|
ADI
|
HMC6146BLC5A
HMC6146BLC5ATR
|
GaAs MMIC I/Q上變頻器,40 - 44 GHz
|
現貨
|
198
|
HMC6146BLC5A應用
-
點對點與
點對多點無線電
-
軍用雷達、EW與ELINT
-
衛星通信
HMC6146BLC5A優勢和特點
-
轉換增益:12 dB
-
邊帶抑制:25 dBc
-
2LO至RF隔離:15 dB
-
高輸出IP3:+27 dBm
-
16引腳5x5 mm陶瓷封裝:25 mm2
HMC6146BLC5A結構圖
