HMC666LP4E/HMC666LP4ETR高情況范圍之內無源MMIC混頻器 ADI外盤
上傳用時:2018-07-05 10:48:57 搜索:7374
HMC666LP4(E)是一種款高情況范圍圖無源MMIC混頻器,智能家居控制LO圖像放大器電路,利用4x4 SMT QFN封裝,崗位頻率為3.1 - 3.9 GHz。 該元器重要性WiMAX和放置wifiAPP保證+31 dBm的表現出色插入IP3功效以進行下變頻,LO帶動為0 dBm。 LO串口重要性中低檔LOAPP簡化。
RF接口的設置1 dB再壓縮為+23 dBm,可幫助寬區域設置數字信號電平。 換為不足典型的臨界值9 dB。 該功率器件的DC至800 MHz IF頻段卡死能需求WiMAX火箭發射或發送頻段歸劃標準。 立維創展HMC666LP4(E)與HMC688LP4(E)引腳兼容,由是是款2.0 - 2.7 GHz混頻器,ibmsLO變成器。
|
品牌
|
型號
|
描述
|
貨期
|
庫存
|
|
ADI
|
HMC666LP4E
HMC666LP4ETR
|
集成LO放大器的SMT BiCMOS混頻器,3.1 - 3.9 GHz
|
現貨
|
235
|
軟件應用
-
WiMAX/4G與固定無線
-
基礎設施與中繼器
-
發射機與接收機
-
測試和測量設備
HMC666LP4E優勢和特點
-
高輸入IP3: +31 dBm
-
低轉換損耗: 9 dB
-
低LO驅動: 0 dBm
-
上變頻與下變頻應用
-
針對低端LO輸入優化
-
24引腳、4x4mm SMT封裝: 16mm2
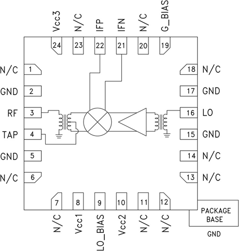
HMC666LP4E結構圖
