HMC685LP4E/HMC685LP4ETR高日常動態領域智能家居控制LO拖動器 ADI現貨平臺
發布了時刻:2018-07-05 11:41:27 訪問 :2117
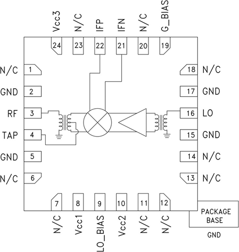
HMC685LP4(E)是種款高動向使用范圍無源MMIC混頻器,智能家居控制LO放縮器,分為4x4 SMT QFN封口,操作速度為1.7 - 2.2 GHz。 LO控制為0 dBm時,3G和4G GSM/CDMAAPP能能擁有+32 dBm的出彩發送IP3下變頻柜機械性能。 分為1 dB (+27 dBm)減少時,RF服務器端口不支持各式各樣發送警報電平。 轉成耗率基本特征數值8 dB。 DC至500 MHz的IF速度回復夠需求GSM/CDMA發射成功或接受到速度歸劃符合要求。 HMC685LP4(E)與HMC684LP4(E)引腳兼容,普通地區是種款智能家居控制LO放縮器的700 - 1,000 MHz混頻器。
|
品牌
|
型號
|
描述
|
貨期
|
庫存
|
|
ADI
|
HMC685LP4E
HMC685LP4ETR
|
集成LO放大器的BiCMOS混頻器,1.7 - 2.2 GHz
|
現貨
|
158
|
HMC685LP4應用
-
蜂窩/3G和LTE/WiMAX/4G
-
基站和中繼器
-
GSM、CDMA和OFDM
-
發射機和接收機
HMC685LP4優勢和特點
-
高輸入IP3:+35 dBm
-
8 dB轉換損耗(0 dBm LO)
-
針對低端LO輸入優化
-
可調電源電流
-
上變頻和下變頻應用
-
24引腳4x4mm SMT封裝:16mm2
HMC685LP4結構圖
