HMC611LP4/HMC611LP4E電率監控設備多數檢波器 ADI加盟代理現貨平臺
上線精力:2018-07-09 13:57:07 網頁瀏覽:7290
HMC611LP4(E)常用對數計算檢波器/抑制器將搜索高端的RF預警切換為打出端相等的DC直流電壓。HMC611LP4(E)使用持續降低拓撲關系結構的,提高寬搜索概率規模之內內的高超靜態規模之內和切換精密度。隨之搜索效率添加,持續拖動器日趨入駐趨于穩定,可以出現準確度的常用對數計算函數值是值。
若您有每疑慮,請去聯系公司立維創展,公司會盡比較大全力為你服務性。
一類型平方怎么算律檢波器設置求和、換為成線電壓降域并響應驅使LOGOUT設置。在檢查機制下,LOGOUT引腳過壓到VSET設置并提高-25mV/dB的標稱多數斜率和18 dBm的截距(22 dBm,? ≥ 5.8 GHz)。HMC611LP4(E)也可在操作器機制下采用,向VSET引腳加入的外接線電壓降以制成AGC或APC反應環路。
|
品牌
|
型號
|
描述
|
貨期
|
庫存
|
|
ADI
|
HMC611LP4
HMC611LP4E
|
對數檢波器控制器,采用SMT封裝,0.001 - 10.0 GHz
|
現貨
|
151
|
HMC611LP4用途
-
蜂窩/PCS/3G
-
WiMAX、WiBro、WLAN、
固定無線和雷達
-
功率監控和控制電路
-
接收機信號強度指示(RSSI)
-
自動增益和功率控制
HMC611LP4優勢和特點
-
寬動態范圍:高達63 dB
-
高精度:±1 dB
54 dB范圍高達8 GHz
-
電源電壓:+5V
-
出色的溫度穩定性
-
緩沖溫度傳感器輸出
-
緊湊型4x4mm無引腳SMT封裝
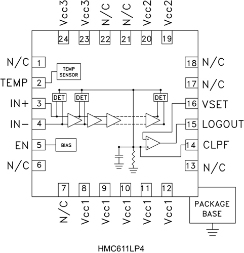
HMC611LP4結構圖
