HMC547ALC3/HMC547ALC3TR通用版型光纖寬帶高分隔SPDT按鈕開關 ADI現貨黃金
上傳時:2018-07-10 13:58:18 網頁瀏覽:7436
HMC547ALC3是一種款普通型聯通寬帶網絡高分隔霜非反射層GaAs MESFET SPDT轉換打開,主要選擇3x3 mm無引腳瓷器表貼打包封裝。該轉換打開頻次范圍內為DC至28.0 GHz,在中頻段時體現了低過40 dB的分隔霜度和乘以2 dB的復制自然損耗。聯通寬帶網絡寬、高速轉換打開和主體工程型長寬比使吸收能力式SPDT非常適合軍工EW/ECM和公測儀器用。該轉換打開主要選擇-5/0V的互替負操作電壓電流方式線路圖工做,沒有偏置電源適配器。若您有一切疑點,請關聯自己立維創展,自己會盡最大化盡力清洗更輕松!性。
|
品牌
|
型號
|
描述
|
貨期
|
庫存
|
|
ADI
|
HMC547ALC3
HMC547ALC3TR
|
GaAs MMIC SPDT非反射式開關,DC - 28.0 GHz
|
現貨
|
233
|
HMC547ALC3使用
-
光纖和寬帶通信
-
微波無線電和VSAT
-
軍用無線電、雷達和ECM
-
測試儀器儀表
HMC547ALC3優勢和特點
-
高隔離度:
45 dB (10 GHz)
39 dB (20 GHz)
-
低插入損耗:
1.9 dB (10 GHz)
2.2 dB (20 GHz)
-
快速開關:6 ns
-
非反射設計
-
16引腳3x3 mm SMT陶瓷封裝:9mm2
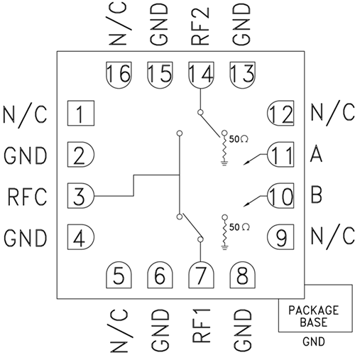
HMC547ALC3結構圖
