餐飲行業快訊
發布公告時間間隔:2018-06-06 10:29:37 挑選:2628
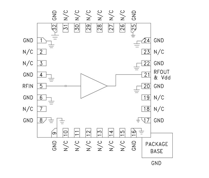
HMC907APM5E是一種款GaAs MMIC pHEMT分布區式業務效率變小器,業務的頻率超范圍之內為0.2 GHz至22 GHz。該自偏置業務效率變小器給出14 dB增加收益值、+40 dBm傳輸精度IP3和+28 dBm傳輸精度業務效率(1 dB增加收益值壓縮的),工作電壓僅350 mA(主要適用+10 V交流電源)。HMC907APM5E在0.2 GHz至22 GHz超范圍之內內給出±0.7 dB的出彩增加收益值更加平整度,以致更加最合適EW、ECM、聲納和試驗裝備app。HMC907APM5E變小器I/O室內識別至50 Ω,快捷一體化到多基帶芯片包塊(MCM)中,主要適用無引腳QFN 5x5 mm表貼封裝,不用再第三方識別部件。
品牌
型號
描述
貨期
庫存
ADI
HMC907APM5E
HMC907APM5ETR
GaAs pHEMT MMIC功率放大器0.2 - 22 GHz
現貨
69
HMC907APM5E應用
HMC907APM5E優勢和特點
HMC907APM5E結構圖
