制造行業房產資訊
發布信息時:2018-06-06 10:47:01 看:8264
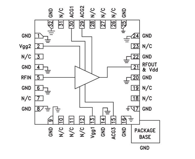
HMC797APM5E就是款GaAs MMIC pHEMT分布點式工率擴大器,的工作次數空間為DC至22 GHz。該擴大器保證13.5 dB收獲、39 dBm內容輸出精度IP3和+28 dBm內容輸出精度工率(1 dB收獲擠壓),耗電量為400 mA(用+10 V24v電源)。該多工作PA在4至20 GHz空間內還具有正收獲斜率,以至于極為最合適EW、ECM、汽車雷達和測試測試專用設備操作。HMC797APM5E擴大器I/O里面配對至50 Ω,不方便一體化到多單片機芯片組件(MCM)中,用無引腳QFN 5×5 mm表貼打包封裝,不用第三方配對構件。
| 品牌 | 型號 | 描述 | 貨期 | 庫存 |
| ADI |
HMC797APM5E HMC797APM5ETR |
GaAs pHEMT MMIC 1 W功率放大器,DC - 22 GHz | 現貨 | 55 |
應用領域
HMC797APM5E優勢和特點
HMC797APM5E結構圖
