業方式
發部時間段:2023-07-18 16:52:09 瀏覽器:1476
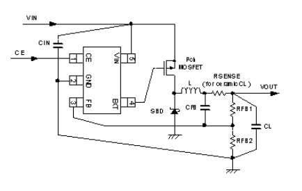
TOREX有效控制器接線圖XC9220型號是多性能降血壓DC/DC設定器IC。給XC9220全系列智能控制器外表配齊的是本身按鈕電子元件,的是本身工率電感,的是本身特殊管和兩根電感時需獲取的是本身提高吸收率率,對應不穩定性的,輸出精度電壓電流高至3A的控制開關電源電路。XC9220款型把控器能便用低ESR電阻器列如陶瓷圖片電阻器應用于它的效果電阻器。
XC9220系例把握器有些0.9V(±1.5%)標準額定電阻,主要包括外置分壓阻阻就能否隨處設計傷害額定電阻。幾率領域為300kHz,500kHz和1MHz,能用到小微型外元元件。對于那些軟啟動器時準確時間,XC9220A和C品類是室內布置為4ms,XC9220B和D系列作品會在外表設置成。XC9220產品管控器遵循內裝UVLO(欠壓鎖閉)耐磨性,當進入電壓值降落到2.3V或較低的條件下,靜態P外圓電源開關元器會被強制性關畢。

特征描述
本職工作電流電壓規模:2.8V~16.0V
內容輸出輸出功率外觀快速設置:0.9V(精密度計算±1.5V)
頻帶寬度范圍之內:300k,500k,1.0MHz
抑制玩法:PWM掌握
帶軟啟動器服務器耐磨性:里面布置4ms(TypeA500kHz),表面設置(TypeB)
守護電線:集分守護1.0ms(A,B類形),跳閘保護好
低ESR電解電容(電容器):陶瓷圖片電解電容(電容器)
TOREX半導其主要給予COMS、調節器器、場效應管等元功率器件,貨品以小體積大概、的性能菁英而有名氣。
成都 市立維創展科技廠家不足廠家,競爭優勢分銷商城TOREX24v電源電子器件,廣泛現貨平臺庫存量,迎接聯合。
內容要了解TOREX請超鏈接://imyme.cn/brand/62.html
形號 | Type | Output Voltage | Oscillation Frequency | Packages |
XC9220A093ER-G | Soft-start internally set with integral protection function | FB type | 300kHz | USP-6C |
XC9220A093MR-G | Soft-start internally set with integral protection function | FB type | 300kHz | SOT-25 |
XC9220A095ER-G | Soft-start internally set with integral protection function | FB type | 500kHz | USP-6C |
XC9220A095MR-G | Soft-start internally set with integral protection function | FB type | 500kHz | SOT-25 |
XC9220A09AER-G | Soft-start internally set with integral protection function | FB type | 1.0MHz | USP-6C |
XC9220A09AMR-G | Soft-start internally set with integral protection function | FB type | 1.0MHz | SOT-25 |
XC9220B093ER-G | Soft-start externally set with integral protection function | FB type | 300kHz | USP-6C |
XC9220B093MR-G | Soft-start externally set with integral protection function | FB type | 300kHz | SOT-25 |
XC9220B095ER-G | Soft-start externally set with integral protection function | FB type | 500kHz | USP-6C |
XC9220B095MR-G | Soft-start externally set with integral protection function | FB type | 500kHz | SOT-25 |
XC9220B09AER-G | Soft-start externally set with integral protection function | FB type | 1.0MHz | USP-6C |
XC9220B09AMR-G | Soft-start externally set with integral protection function | FB type | 1.0MHz | SOT-25 |
XC9220C093ER-G | Soft-start internally set without integral protection function | FB type | 300kHz | USP-6C |
XC9220C093MR-G | Soft-start internally set without integral protection function | FB type | 300kHz | SOT-25 |
XC9220C095ER-G | Soft-start internally set without integral protection function | FB type | 500kHz | USP-6C |
XC9220C095MR-G | Soft-start internally set without integral protection function | FB type | 500kHz | SOT-25 |
XC9220C09AER-G | Soft-start internally set without integral protection function | FB type | 1.0MHz | USP-6C |
XC9220C09AMR-G | Soft-start internally set without integral protection function | FB type | 1.0MHz | SOT-25 |
XC9220D093ER-G | Soft-start externally set without integral protection function | FB type | 300kHz | USP-6C |
XC9220D093MR-G | Soft-start externally set without integral protection function | FB type | 300kHz | SOT-25 |
XC9220D095ER-G | Soft-start externally set without integral protection function | FB type | 500kHz | USP-6C |
XC9220D095MR-G | Soft-start externally set without integral protection function | FB type | 500kHz | SOT-25 |
XC9220D09AER-G | Soft-start externally set without integral protection function | FB type | 1.0MHz | USP-6C |
XC9220D09AMR-G | Soft-start externally set without integral protection function | FB type | 1.0MHz | SOT-25 |