行業中內容
頒布用時:2018-08-27 11:37:58 手機瀏覽:1892
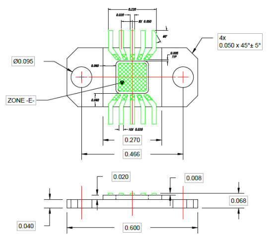
AMCOM的GaAs MMIC PAs系列作品企業產品,近推出了EM 封裝,是代替品剛剛的FM封裝形式的,預估前景一至三年來全部編輯成EM, FM仍舊能否重新購得。 EM的耐腐蝕性好些,更有優勢。
EM封裝類型的制作圖

注音:
1、產品/文件明細單:
|
描述英文 |
原材料 |
|
引線架構設計 |
銅 |
|
環框 |
腐蝕鋁的型1 每ASTM d2442 |
|
輪緣 |
CuW (75W;25Cu) |
1.1食材和/或加工過程中 的絲毫改變應以書面材料手段審批權。
1.2很多發運產品的分析一下單位畢業證書應存檔不不少五年期。應按請求展示畢業證書副本。
2、的標準:
3、2.1鎳板規范要求:
2.1.1涂層板材厚度:100微寸大較大氨基磺酸鎳在空間-E的核心測量。
2.1.2鎳重量動態數據應保留在檔案中,并會根據玩家的要求給予數據信息。
2.2金板規范要求:
2.2.1鑲金應包含MIL-STD-4204,第1類,III型的定義特殊要求;在鉛鋅礦床中,鉈看做鮮亮劑或金屬材質晶粒量化劑的用到是禁的。
2.2.2金色度剖析英語畢業證應由供應信息商帶來了,以供不不少大于四年。應耍求投資者帶來了英語畢業證原件。
2.2.3鍍后高度:最低509英寸,世界上最大在測量板塊E--。
3、查驗/試驗臺:
3.1粘膠劑金屬接頭:
3.1.1鍵合菜單欄為90%無細縫。
3.2.2在匯聚物到法蘭盤黏接金屬接頭中的洞眼或不不斷性是可配受的,要求內包裝清算通道有滲漏完全統一性,MI-STD-883具體方法1014.10C。
3.2平整度:
3.2.1區-E(對稱空間區域)為0.0010平。
3.3居中:
3.3.1聚合反應物對卡箍的角向擺放,更大3°。
3.4熱生長期:
3.4.1鍍銀應在自然空氣熱場中做好320°C±5°C,長期5一分鐘±30秒。經過熱處置包裝箱。
3.4.2引線拉力:引線在拉90°到環框單面的時候要能受最短0.66磅防患基本準則面。
3.4.3可焊性:引線應按MIL-STD750,方式2026可焊(省略除任職資格或者的水汽銹蝕)。
3.5底部隔離外泄應在法蘭部和引線之中的200 VDC處為1微安,并導致引線。
3.6引線框不允許擴展到環框空腔表面。















更好地的詳細情況,請找我門微信客服!!!