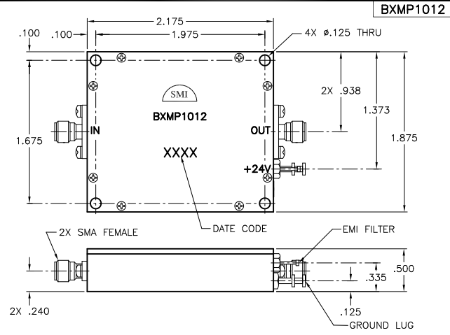
BXMP1012低躁聲微波射頻調小器API Tech
公布的時間:2024-05-08 08:52:00 看:704

BXMP1012低噪音增加器一款專為是需要低噪音、高直線度和高輸入輸出瓦數的應用而制定的增加器。它擁有一些常見性能和優缺點: 1. 低環境噪聲數值:先進典型值一般選擇3.7 dB,非常大值一般選擇4.0 dB,使使用于標準要求高信噪比的適用畫面。 2. 高考沖刺階剪斷點:典型示范值>+49 dBm,絕對在更為高浮度鍵入無線信號時不能所產生看不出的非線性網絡失幀。 3. 高一階和二階雙音剪斷點:不同為+95 dBm(主要性值)和+93 dBm(主要性值),可以治理 適度度的投入訊號而不會受到引響。 4. 高熱效率1 dB降低點:舉例數值為+32 dBm,傷害熱效率大,在高電動機扭矩時候下仍能始終維持較低偏色。 5. 做作業頻率因素領域大范圍:適用人群于-55℃至+100℃的做作業壞境溫因素,-62 ℃至 +125 ℃的存放溫因素規范要求。 6. 率面積范圍廣:0.5 - 35 MHz,可無法多種率下的應用領域供給。 7. 輸人/所在最大電功率及增益控制控制樣式明確責任:有著明了的最大電功率、增益控制控制和降低點樣式,利于用戶的在設計方案和運用時做精準產品定位。 8. VSWR低:放入和輸出精度電壓降駐波比均需小于1.5:1,切實保障無線信號輸送有效率。 9. 可用以的范疇多方面:無線網絡通信技術、預警雷達、測式生產設備等的范疇,可用以于必須要 工作忽閃走勢并始終保持走勢完成性和質量的動畫場景。
| CHARACTERISTIC | TYPICAL Ta=25 ℃ | MIN/MAX Ta =0℃ to+50℃ |
| Frequency | 0.5 -35 MHz | 05-35 MHz |
| Gain(dB) | 22 | 21.5 Min./ 22.5 Max |
| Gain Flatness (dB) | 0.5 | 0.5 Min. |
Power @ 1 dB Comp.(dBm) | +32 | +31 Min |
| P2(dBm)5-35 MHz | 93 | 90 Min |
| IP3(dBm | 49 | 47 Min. |
Reverse lsolation (dB) | 27 | 26 Min. |
| VSWR | In Out | <1.5:1 <1.5:1 | 1.5:1 Max 1.5:1 Max |
| Noise figure (dB) | 3.7 | 4.0 Max |
Powe Vdc mA | +24 425 | +24 450 Max |