企業信息
更新用時:2024-05-16 09:15:52 查看:814
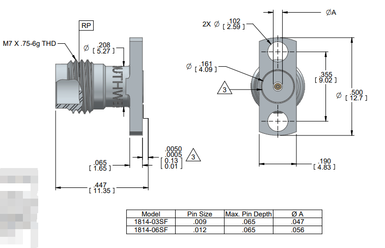
SOUTHWEST西南地區紅外光 1814-06SF系列是一款專為高頻應用設計的1.85mm(V)插孔連接器,具有2孔法蘭安裝配置。該連接器為母頭設計,能夠接受直徑為0.012英寸的公插針,并提供氣密密封功能,確保在高頻應用中的性能穩定。它支持18GHz、27GHz、36GHz、40GHz、50GHz和67GHz的頻率范圍,適用于微波通信、雷達系統和測試測量設備等高頻應用場景。連接器采用2孔法蘭安裝方式,法蘭尺寸為0.500英寸長,孔直徑為0.102英寸,使用T-291-5型孔刀具和T-212-15型焊料工具進行安裝和焊接。


南京市立維創展信息技術享用SOUTHWEST西北紅外光大方面類型具備數據現貨平臺的產品,并協助執行具備數據能力扶持與安裝保障。
詳情介紹清楚SOUTHWEST華東微波加熱請點擊進入://imyme.cn/brand/7.html