企業最新資訊
發部精力:2024-05-22 08:56:57 閱讀:864

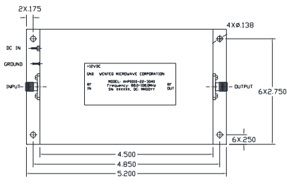
AHP0010-20-3040射頻功率放大器是WENTEQ公司生產的一款高性能微波設備。它具有以下特點:
1. 高熱能力轉換:能能提供達10瓦特的P-1dB熱能力轉換,切實保障數據信號互傳的密度和能力。 2. 較好的VSWR:包括不穩的VSWR,能保證了變成器在崗位的時候中的不穩性。 3. 便捷Class AB實操的方法:按照Class AB實操的方法,即在穩定良好便捷率的此外穩定良好較低的能耗。 4. SMA多種業務類型的婦女拼接器:選取SMA多種業務類型的婦女拼接器,簡單方便與其他徽波設配拼接。 在機械因素,該變成器的方法熱度領域為-20至+65°C,文件存儲熱度領域為-45至+125°C,足夠寬溫先決條件下的用到訴求。機械產品參數是指頻點領域(88.0-108.0 MHz)、P-1dB收縮點(+39.0至+40.0 dBm)、傷害IP3(55.0 dBm)等,體現了該變成器在頻射性能指標上表達出眾。 在自動化格局部分,該縮放器尺寸大小圖約為5.2x3.0x1.05英寸,主體工程的尺寸大小圖時候在系統內外或冗余裝有。享有DC IN、GRDUND、INPUT、OUTPUT等連入點,便于與冗余電路原理連入。規格參數:
| Parameters | Units | Specifications | ||
| Minimum | Typical | Maximum | ||
| Frequency Range | MHz | 88.0 | 108.0 | |
| P-1dB Compression Point | dBm | +39.0 | +40.0 | |
| Output IP3 | dBm | 55.0 | ||
| Nominal Gain@25°℃ base plate temperature | dB | 27.0 | 30.0 | 33.0 |
| Gain flatness | dB | +/-1.0 | ||
| Gain Variation over temperature | dB | +/-1.5 | ||
| Input VSWR | 1.5:1 | 2.0:1 | ||
| Output VSWR | 1.8:1 | 2.0:1 | ||
| Spurious | dBc | -60.0 | ||
| Operating Temperature | ℃ | 40.0 | +75.0 | |
| Survival Temperature | ℃ | -45.0 | +125.0 | |
| DC Power Supply Voltage | V | 48.0 | 50.0 | 53.0 |
| DC Curren Quiescent (no RF) aPout=+40dBm | mA | 100 500 | 200 650 | |
| In/Out connectors | SMA-type female | |||
| Size | inches | 5.2x3.0x1.0 | ||
成都 市立維創展科學技術是WENTEQ的供應商商,重要提高WENTEQ商品其中包括方形器、隔絕器、短路電流末端等,商品原廠原產,的品質能保證,產品報價特色,歡迎辭咨詢了解。