互聯網行業手游資訊
披露用時:2024-06-26 08:54:21 預覽:803
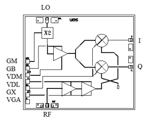
CHR2295-99F是UMS紅外光一款高性能的GaAs單片微波集成電路(IC),專為商業通信系統中的下變頻應用而設計。該芯片集成了多種功能,包括LO(本地振蕩器)時間雙倍頻器、平衡冷FET混頻器和RF低噪聲放大器(LNA),使其能夠有效地將LO信號轉換為RF信號。

該芯片的主要特點包括:
- 移動寬帶性:RF上行資源帶寬為24-30 GHz,LO上行資源帶寬為12-15 GHz。 - 改換收獲:頻射收獲(Conversion Gain)在11至15 dB當中。 - 噪聲源數值:3.5 dB,可在底頻段>0.1 GHz。 - LO讀取工作功率:最低參考值-10 dBm,極大參考值10 dBm。 - RF手機輸入工作電壓:在1 dB增加收益壓縮的點時為-10 dBm。 - 低直流電源電機功率消耗脂肪:120 mA @ 3.5 V。 - 集成ic長寬高:2.49 x 1.97 x 0.10 mm。 CHR2295-99F選擇pHEMT加工工藝生產,都具有0.25微米換算的柵長,并構建基鋼板孔、自然空氣橋和電子為了滿足電子時代發展的需求,束柵星空刻水平構建高高精準度和牢靠性。單片機芯片的反面設計制作為微波射頻和直流變壓器地線,簡化法了加裝過程中 ,升高了系統的牢靠性和效果。成都市立維創展自動化現有品牌授權經銷UMS微波,針對部分型號的UMS產品提供優質的現貨產品庫存,歡迎咨詢。