制造行業房產資訊
發部日期:2024-06-28 08:59:54 訪問 :6082

PULSAR倍頻器FX-04-410是一款高性能的電子設備,專為需要精確頻率轉換的應用而設計。以下是該產品的詳細介紹:
品牌名稱: Pulsar倍頻器FX-04-410頻率范圍:
插入聲音頻率: 75-1500 MHz 輸入輸出幀率: 150-3000 MHz 輸出耗油率標稱值: +10.0 dBm轉換損耗:
在F2工作頻率下: 12.0 dB較大 在F4概率下: 20.0 dB典型案例雜散信號抑制:
F1: 20 dBc F3: 20 dBc 封裝業務類型業務類型: SMA連接器類型:
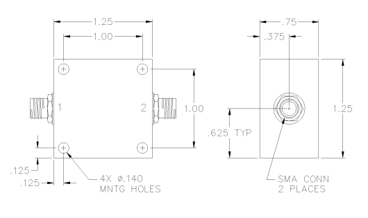
標淮調試: SMA female 可供選擇顯卡配置: BNC, TNC, F, 和 N connectors 顯示/輸入表層: 鍵盤輸入接口: 1 輸入網口: 2 與地面裝置辦法: 設備殼與地面裝置 形態尺寸圖: 1.25" x 1.25" x 0.75"
雜散信號抑制性能表明,該設備能夠有效抑制不需要的頻率成分,確保輸出信號的純凈度。SMA連接器是標準配置,但也提供其他類型的連接器選項,以適應不同的應用需求。山東市立維創展科技創新許可進口代理銷量PULSAR徽波車輛,并帶來了售服蘋果支持服務的,受歡迎咨詢了解。。