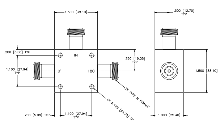
JL-17/NF 3dB混合物交叉耦合器MCLI
推出時期:2024-07-01 09:15:04 預覽:785
在現代電子通信領域,精確的信號處理和高效的能量傳輸是至關重要的。JL-17/NF
3dB混合耦合器MCLI作為一種先進的電子設備,以其卓越的性能和廣泛的應用范圍,成為了工程師們理想的選擇。
該藕合電路器的來設計共同點一方面表達在其無邊無際的幀率超范圍上,從0.01 MHz到60
MHz,可以說涉及了大部分一般的通迅頻段,確保安全了在繁多app畫面下的兼容性問題和靈巧性。其3dB的典型性藕合電路值暗示著著在藕合電路路徑分析上,衛星警報的強度將衰減約半個,這針對于衛星警報分攤和工作電壓調整至關根本。

隔絕開度是考量合體器能力的另一個關鍵點指標,JL-17/NF
3dB相混合體器MCLI的輕柔的隔絕開度為20dB,有效地地避免了衛星預警暴露,可以保障了機系統的比較穩定義和可信度性。再者,其最高VSWR臨界值1.30:1,證實了越來越低的衛星預警散射,然后提供了機系統的整體風格生產率。 在添加耗用工作方面,該藕合器的明顯值僅為0.7dB,這象征著著數據在利用藕合器時的熱效率流失小,能助保持數據的完整詳細性和效果。小幅度取舍和相位取舍的明顯值各是為±0.2dB和±2
Deg,確保安全了在藕合線路和直通式線路兩者數據效果和相位的小于配對,這就多線路數據解決頗關乎要。 JL-17/NF
3dB分層解耦器MCLI是可以治理的極限輸出額定電機功率為3W,這擔保了其在高額定電機功率選用中的安全系數高性和動態平衡性。的同時,其操作高溫范圍內從-55°C至+85°C,使其是可以在極端分子的工作環境下已然恢復優秀的操作功能。
上海市立維創展科技創新有效工廠,授權書代理權銷量MCLI貨品,追捧投資者在線咨詢。