相關行業信息資訊
上架用時:2024-07-15 08:59:06 訪問:6012
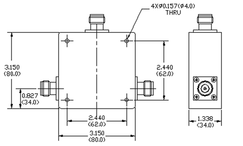
在無線通信和射頻工程領域,選擇合適的組件對于確保系統的高效運行至關重要。WENTEQ F2519-0280-29-N10大功率同軸射頻環行器正是這樣一款專為滿足高要求應用而設計的先進設備。本文將詳細介紹其關鍵特性、電氣規格及其在實際應用中的優勢。

| Part No | Freq Range MHz | Insertion Loss,dB | Reverse Isolation dB | VSWR | Forward Power Watts | Temp Range,℃ |
| F2519-0262-29-N10 | 225~300 | 0.6 Max | 18 | 1.35 | 250 | 0~+85 |
| F2519-0280-29-N10 | 240-320 | 0.5 Max | 18 | 1.35 | 250 | 0~+85 |
| F2519-0280-29-S01 | 240~320 | 0.5 Max | 20 | 1.25 | 50 | -40~+85 |
主要特點包括:
寬頻率速率:蘋果支持225-300 MHz和240-320 MHz等很多個頻段。 進行射頻無線接插件界面:能提供N型或SMA母頭進行射頻無線接插件,更方便集成化。 低進到這一領域耗損率:極限不大于0.6 dB,加強組織領導數據信號有效率互傳。 高返向分隔:最好18 dB,增加軟件效能。 高額定工作電壓處置:采用多達250 Watts,采用于大額定工作電壓環境。 平衡堅固耐用:約990克,抓好設配平衡性。電氣規格:
這輛環行器是rf射頻水利師和無線網通信系統教授的夢想選澤,可使用在許多種高標準要求自然環境。
成都 市立維創展現代科技是WENTEQ的經銷處商,主耍具備WENTEQ商品設備是指環狀器、隔絕器、裝載最終等,商品設備原裝入口進口商,線質量保持,收費競爭優勢,喜歡了解和咨詢。