產業資訊新聞
更新耗時:2024-08-07 08:58:58 搜素:780

EPD-4L-SF功分器是由ELECTRO-PHOTONICS公司生產的一款高性能、寬頻帶的4路功率分配器/組合器。該產品的主要特點和規格如下:
主要特點
角度性: 0° 幾率空間: 4.0 GHz到8 GHz 較大 的輸出瓦數: 30W 高能力: 供應低復制耗率、高丟開度、低駐波比(VSWR)和先進的上升時間及相位平衡點。 緊湊型轎車型suv面積: 設定緊湊型轎車型suv,有利在較少的環境內安裝便用和便用。性能規格
| PARAMETER | SPECIFICATION |
| FREQUENCY RANGE | 4.0-8 GHz |
| EXCESS INSERTIONLOSS* | 0.8dB |
| ISOLATION | 18 dB |
| VSWR | 1.3 |
| AMPLITUDE BALANCE | ±0.3 dB |
| PHASE BALANCE | ±3° |
| POWER HANDLING | Forward:30W |
| Reverse:1W |
應用領域
機械規格
| PARAMETER | SPECIFICATION |
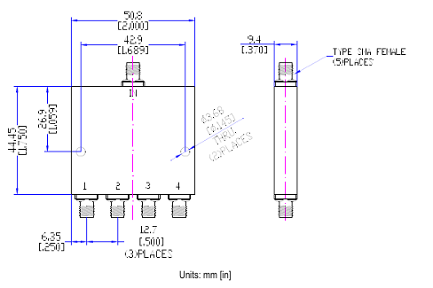
| MATING INTERFACE | SMA(F) |
| OPERATINGTEMP | -55 TO+85℃ |
| NON-OPERATINGTEMP | -55 TO+100 ℃ |
| MATERIAL/FINISH | Aluminum with black epoxy |
| resin paint |
尺寸圖:

ELECTRO-PHOTONICS占有25年的普攻rf射頻元器件封裝結構設計與營造經歷,設備區域混和定向委培解耦器、功分器、濾波器、各種測試板、隔離霜器、橢圓形器等設備。
長沙市立維創展創新科技有限工廠英文工廠微商代理電商分銷Electro-Photonics車輛。倘若要求Electro-Photonics徽波,歡迎語雙擊右面客服熱線關聯我們大家!!!