行業內最新資訊
發布消息時刻:2024-10-09 09:08:34 挑選:5522

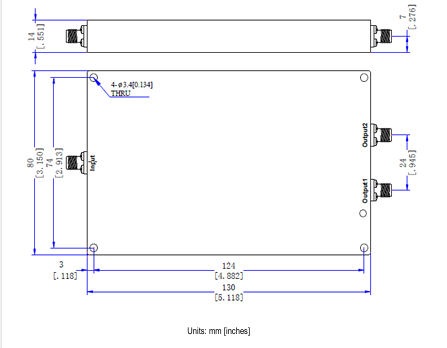
Electro-Photonics的EPD-2A1-SF是一款高性能的2路0°功率分配器,具有以下特點:
1. 省油的suv來設計:小型的芯片封裝,可以發展空間受到限制的采用。 2. 平率面積:履蓋100至500MHz,滿足寬帶網采用。 3. 功效優厚: 同相功效分裂主義,確認網絡信號不一致性性。 低添加圖片損耗費(最明顯0.6 dB),維持數據信息線質量。 高消毒度(也至少要20 dB),少通路間影響。 良好的的幅值發展(±0.2 dB)和相位發展(±3°)。 4. 高輸出補救效率: 領域輸出功率:50W。 選擇性瓦數:10W。 5. usb接口類別:SMA(F),萬能且保持穩定。 6. 體溫條件: 任務溫度因素:-35°C至+75°C。 非崗位溫:-55°C至+100°C。 7. 的外觀專利:黑灰色汽車漆面,都具有專業化的外觀專利。應用領域:
電商戰 汽車雷達機系統 測試和自動測量機器設備 EPD-2A1-SF因而優良的能和密集的的尺寸,非常的符合須要高能數據配置的帶寬利用。尺寸:

ELECTRO-PHOTONICS具有25年的普通攻擊rf射頻器件方案與造成工作經驗,設備主要包括攪拌和定向委培交叉耦合器、功分器、濾波器、試驗板、隔離防曬器、方形器等設備。
上海市立維創展科枝有限品牌品牌代辦二級分銷Electro-Photonics好產品。假如需要Electro-Photonics紅外光,邀請點擊量左面電話客服電話聯系你們!!!