企業手游資訊
公布用時:2024-10-23 16:59:39 閱覽:589
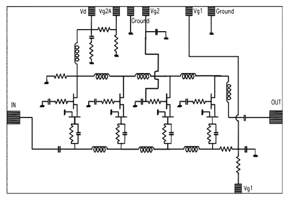
UMS的CHA3023-99F是款操作共源共柵FET的導波變大器。為廣泛的應用領域消費需求制定。
CHA3023-99F選購0.25μm柵極長度的pHEMT生產工藝枝術,隨著橫穿基鋼板的孔和和氣氣橋,有時候以裸片的形式展示。

核心基本特征
聯通寬帶的性能:1-18GHz
14dB收獲值
3dB典例低相位噪音分貝
0.7dB增加收益值光滑度度
芯片封裝尺寸圖:2.15 X 1.42 X 0.10mm
廣州市市立維創展科技創新局限裝修公司許可供應商UMS微波通信,爭對地方材質的UMS的產品的給予品質的現貨交易的產品的庫存盤點,感謝了解。
AMPLIFIER – MPA| Reference | RF Bandwidth (GHz) | Gain | IP3 | P-1dB OUT | Sat. Output Power | Bias | Bias | Case | |||||||||||
| min | max | ||||||||||||||||||
| CHA3023-99F | 1 | 18 | 14 | - | 17 | - | 95 | 5 | Die | ||||||||||