互聯網行業房產資訊
上線時間間隔:2024-12-04 17:07:06 搜素:682
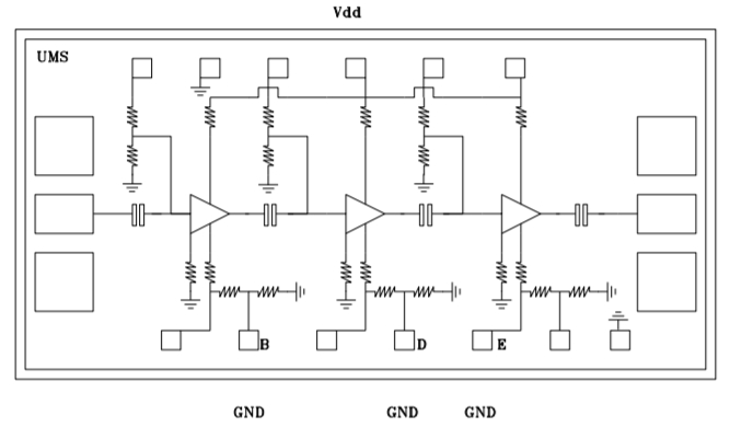
CHA2090-99F是款三級分銷自偏置寬帶網絡單面低噪音污染擴大器。
CHA2090-99F便用條件的0.25μm柵極尺寸大小pHEMT加工過程高新技術,依據板材上的孔、空氣中橋和光學束柵星空刻高新技術。
CHA2090-99F以集成電路芯片類型作為。
主要是本質特征
帶寬功能17-24GHz
2.0dB相位噪聲污染
23dB增益值,±1dB收獲鋪平度
低整流效果消耗的資金,55mA
封裝類型長寬比:2.17 x 1.27 x 0.1mm
珠海市立維創展科學有效司授權證書經售UMS微波通信,涉及區域類型的UMS服務可以提供更優質的期貨服務存儲,邀請了解和咨詢。

| Reference | RF Bandwidth (GHz) | Gain | Gain Flatness | Noise Figure | P-1dB OUT | Bias | Bias | Case | |
| min | max | ||||||||
| CHA2090-99F | 17 | 24 | 23 | 1 | 2 | -10 | 55 | 4.5 | Die |